EasyManua.ls Logo

Icom IC-7300 - Main Unit

Icom IC-7300
75 pages
To Next Page IconTo Next Page
To Next Page IconTo Next Page
To Previous Page IconTo Previous Page
To Previous Page IconTo Previous Page
Loading...
3-4
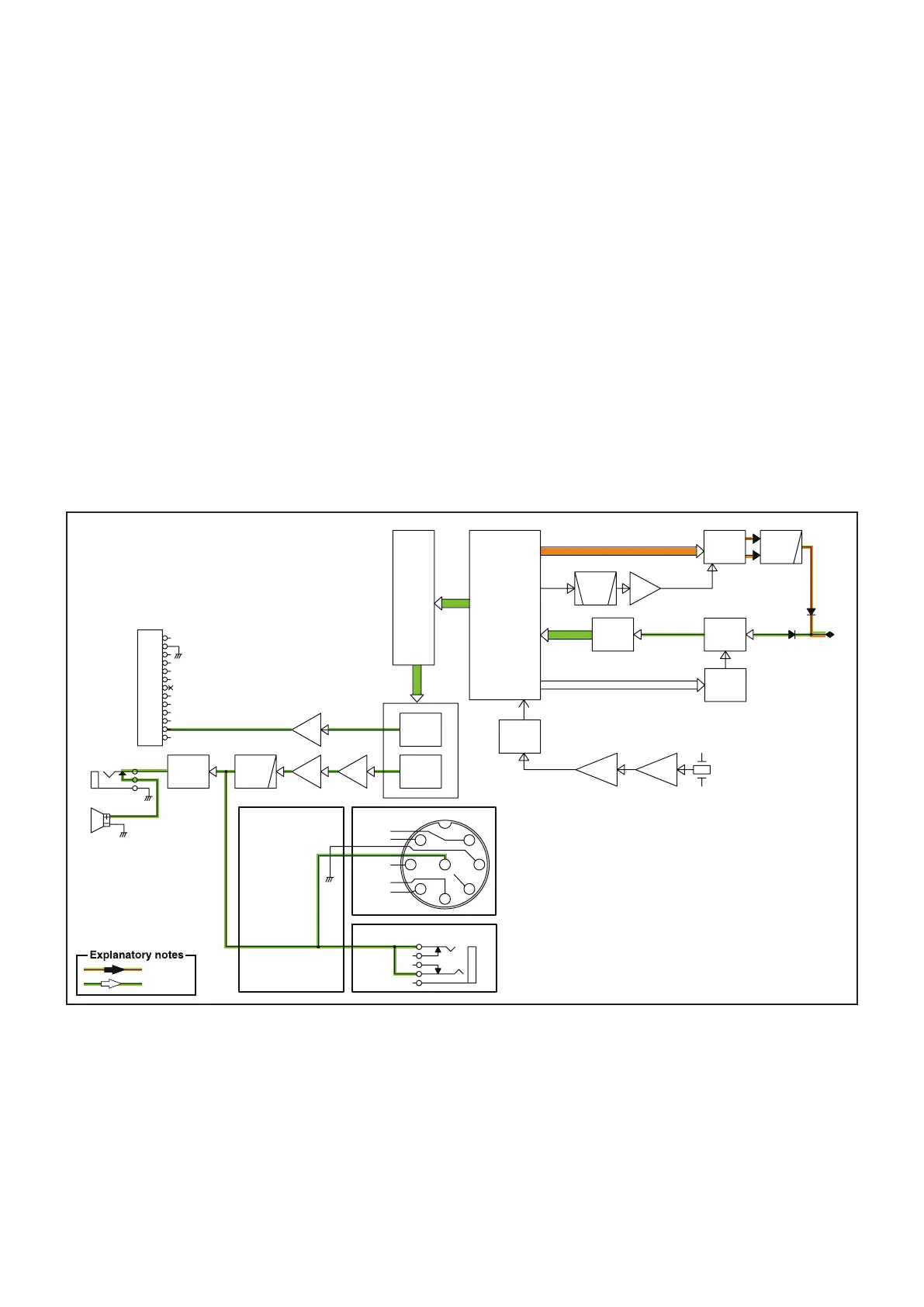
3-3 MAIN UNIT
The IC-7300 uses the Direct Conversion system, which di-
rectly converts the received signal into a digital signal by the
A/D converter. The digital signal is then converted into the 36
kHz IF signal by the FPGA, before being processed by the
DSP.
The transmit signal is processed and converted into the
transmit IF signal by the DSP. The transmit IF signal is con-
verted into an RF signal by the FPGA, and then converted
into an analog transmit signal. Since the IF signal is directly
processed as a digital signal in the FPGA, any analog hetero-
dyne circuits, such as IF circuits, are not needed.
(1) RECEIVE SIGNAL PROCESSING
• External attenuator and A/D conversion
The received signal from the RF UNIT is passed through the
TX/RX switching diode (D1231) and applied to the external
attenuator (PIN diode D1251). The attenuator is controlled by
the AGC voltage from the D/A converter (IC971) to adjust the
received signal level so that the signal amplitude is within the
input dynamic range of the A/D converter.
In a traditional transceiver, the received signal level (gain)
was controlled by the DSP prior to the external AGC circuit.
But, this method will not work in the Direct Sampling system
since the RF gain control cannot prevent over input to the
A/D converter. This method has been replaced by adding an
external AGC circuit, instead of using the DSP's internal AGC
circuitry.
The level-adjusted received signal is applied to the A/D con-
verter to be converted into a digital signal. The converted digi-
tal signal is applied to the FPGA (IC1351) where the received
signal is converted into the 36 kHz IF signal.
ATT
PRE
AMP
Q1211
Q1212/Q1213
LPF
LPF A
HPF A
PHASEI
PHASE
DET
SWR
DET
SWRL
ATT
IMPI
RF
D961,D962
PWR/SWR
DET
MUTE
LPF
HPF
RL801
From the TX circuits
MUTE
BPF
BPF
BPF
BPF
BPF
BPF
BPF
BPF
LPF
BPF
BPF
BPF
BPF
TPWRLBUFF
D1505
IMP
DET
D1271
TUNE
NET
TUNER UNIT
IC1701
HF/50 MHz/70 MHz
D1311 D1312
0.03-1.59 MHz
PA UNIT
fc=76 MHz
Q811
D811/D812
1.60-74.80 MHz
IC1701
To the TX AMP
D1081~D1083
D1001
50.00-54.00 MHz
22.00-29.99 MHz
30.00-49.99 MHz
54.01-69.99 MHz
70.00-74.80 MHz
15.00-21.99 MHz
2.00-2.99 MHz
4.50-6.49 MHz
10.00-14.99 MHz
3.00-4.49 MHz
1.60-1.99 MHz
8.00-9.99 MHz
6.50-7.99 MHz
1.60-30.00 MHz
POWER
DET
D1201
IC1901
D/A
IC1331
D/A
PIN
D1251
D1231
ATT
AF
AMP
AF
AMP
A/D
AMP BUFF
LPF
AAF
AF
AMP
RF
Q746
L731,L732
C731~C735
SW
SP1
J101
J1302
1
2
3
4
5
6
7
8
9
10
11
12
13
D/A
IC902
FLASH
MEMORY
LPF
LVDS
DRIVE
IC1212
BPF
XTAL
AMP
IC1221
MAIN
DSP
CPU
IC901
HSK0/HSK1/DRESD/FRWT
IC301
MAIN UNIT
RF UNIT
DSPCK/DSPR/FRM/BCLK
FPGA
IC1351
41.344 MHz
(41.344 MHz)
Q1202
Q1201
DACLK
X1201
IC1211
IC721
IC992
IC992
SCPCK/SCPR/SCPX/SCPSS
5.BAND
10.FSKK
3.HSEND
13.SQLS
4.START
7.NC
11.MOD
1.8V
2.GND
9.KEY
6.ALC
[ACC]
12.AF
8.14V
FPDX/FPSR/FPSX
[EXT-SP]
[SP]
DR_AF/DR_RSV/DX_REC/DX_FMT
IC991
D/A
AGCV
IC971
124.033 MHz
/FPCAL/BCLK/FRM/MCLK
FPX_AGC/FPX_DET/FPR_MOD
SPCS/SPCK/
SPDO/SPDI
AFO
J1
1
2
3
4
5
6
7
8
J1
DISPLAY UNIT
FRONT UNIT
GND
MIC U/D
MIC
+8V
SQL
PTT
MICE
PHONE UNIT
MIC UNIT
AF OUT
• MAIN UNIT (Receive circuits)
TX signal
RX signal

Other manuals for Icom IC-7300

Related product manuals