EasyManua.ls Logo

Ideal Clima MACH + - Electric Schemes

Default Icon
20 pages
Print Icon
To Next Page IconTo Next Page
To Next Page IconTo Next Page
To Previous Page IconTo Previous Page
To Previous Page IconTo Previous Page
Loading...
MACH+ heat recovery units User and installer manual
© Ideal Clima-Page 8 / 20
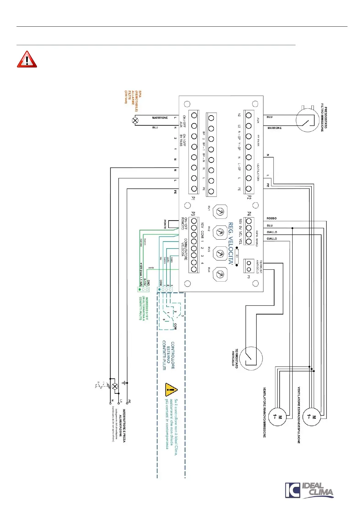
4.2 ELECTRIC SCHEMES
Ground connection is mandatory. The installer must connect the ground cable. MACH + is powered at
230V 50 Hz single-phase.
4.2.1 MACH+ WIRING WITH MANUAL FREE-COOLING

Related product manuals