EasyManua.ls Logo

IDEAL F80 - Wiring Diagrams

IDEAL F80
48 pages
Print Icon
To Next Page IconTo Next Page
To Next Page IconTo Next Page
To Previous Page IconTo Previous Page
To Previous Page IconTo Previous Page
Loading...
16
xtra
- Installation & Servicing
INSTALLATION
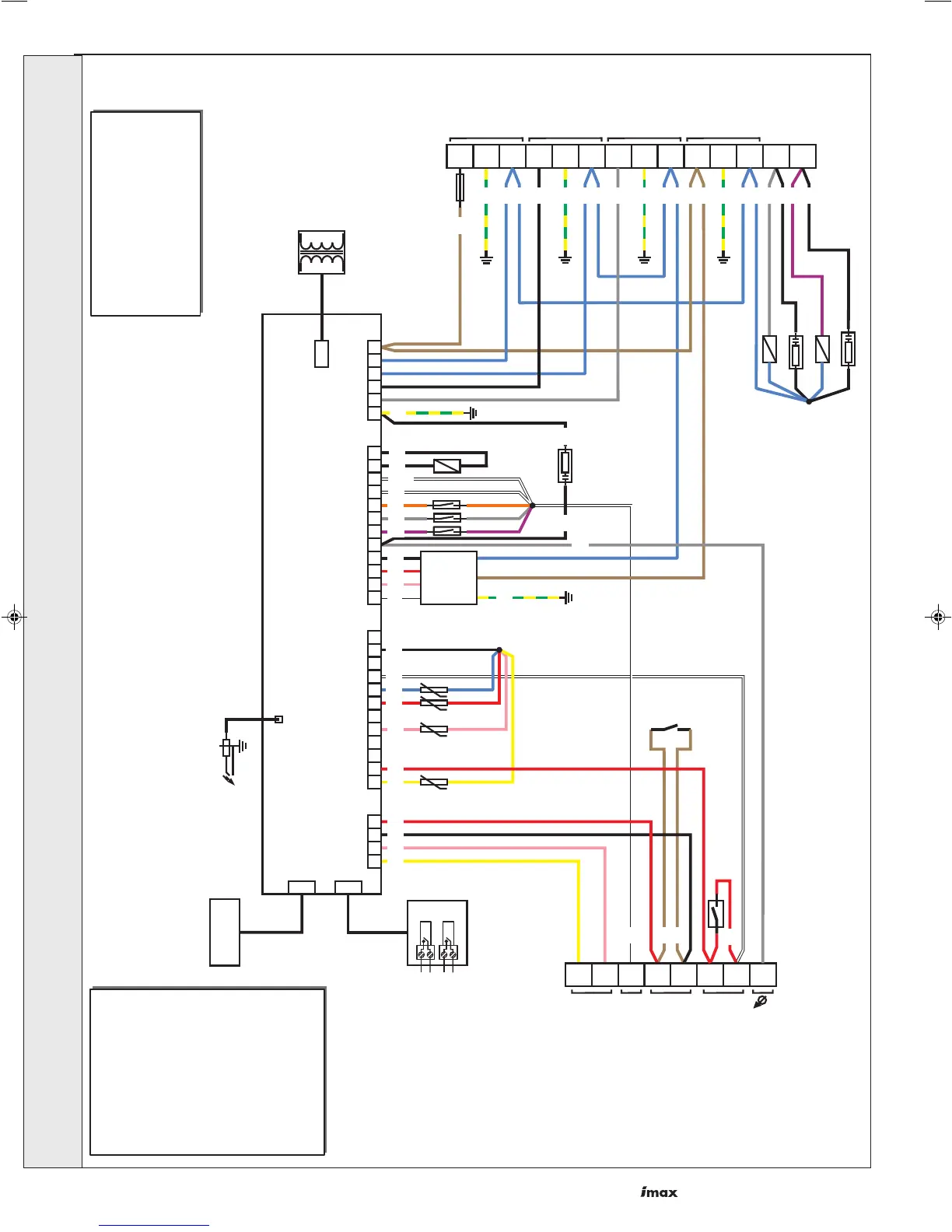
NTC1
NTC2
NTC5
NTC7
PW
R1
R2
RY1
RY2
GV
BS
Flow thermistor
Return thermistor
Flue thermistor
Heat exchanger thermistor
Water pressure switch
Relay 1 230VAC coil
Relay 2 230VAC coil
Relay 1 Switch (signal)
Relay 2 Switch (signal)
Gas valve
Burner switch
-
-
-
-
-
-
-
-
-
-
-
KEY
LEGEND
b
bk
br
r
pk
y
- blue
- black
- brown
- red
- pink
- yellow
w
y/g
g
or
v
- white
- yellow/green
- grey
- orange
- violet
BS*
* Note. For BS open circuit is on, closed circuit is off.
13
1
11
24
2
2
2
4
4
4
6
6
6
7
7
3
3
3
5
5
5
9
9
11
11
8
8
10
1012 12
1
1
2
2
3
3
4
4
5
5
6
6
7
7
8
8
9
10
11
12
PWM
-
+
TACH
E
LN
13
14
DISPLAY
AM3
BOILER ON
VOLT FREE CONTACTS
BOILER LOCKOUT
VOLT FREE CONTACTS
MCBA5407D TRANSFORMER
TB1
TB2
X5 X3/4 X2 X1
X10
HT
X7
X8
CONTROLLER
MAINS INCH PUMP
DHW PUMP
OR VALVE
SEQ.
SUPPLY
CH
CALL
DHW
CALL
DHW
TEMP
OUTSIDE
TEMP
24V
R1
R2
SUPPRESSOR
SUPPRESSOR
SUPPRESSOR
bk
v
bk
g
b
b
br
br
y/g
y/g
y/g
b
b
g
b
b
bk
b
b
br
bk
bk
RY1
GV
APS
PW
NTC5
RY2
NTC7
NTC1
NTC2
o
g
g
bk
bk
v
bk
r
r
r
r
br
y
y
b
bk
w
bk
pk
pk
pk
w
y/g
y/g
y/g
w
w
FUSE
im8255
w
br
r
18
PICTORIAL WIRING DIAGRAM
INSTALLATION

Related product manuals