EasyManua.ls Logo

IDEAL F80 - Page 18

IDEAL F80
48 pages
Print Icon
To Next Page IconTo Next Page
To Next Page IconTo Next Page
To Previous Page IconTo Previous Page
To Previous Page IconTo Previous Page
Loading...
18
xtra
- Installation & Servicing
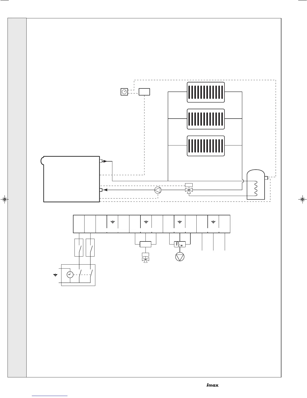
INSTALLATION
Alternatives: The Ideal programmable room thermostat, outside sensor and tank sensor kit provides enhanced user comfort.
Full instructions provided with kits.
Parameter modifications see Frames 28 to 32.
Parameter 46 = 03 If a live output is required for positioning of
the valve to satisfy CH demand.
Parameter 46 = 23 If a live output is required for positioning of
the valve to satisfy DHW demand.
This system provides heating to one zone at a time with DHW
priority controlled by parameter 43. To heat more than one
zone simultaneously, use zone thermostats to energise
individual zone valves with all calls for heat applied to 'CH
CALL'. The boiler will be limited to responding with a set flow
temperature set by parameter 4.
If all zones are fitted with individual zone valves a hydraulic
bypass will be required to allow pump overrun. See page 5
and 6 for details.
im8193
Motorised valve
Pump
Cylinder
thermostat
Programmer
Room
stat
* The switched live from external controls must be from the same phase supply as the boiler
mains supply to ensure that when the boiler supply is switched off the controls are also isolated.
230 VAC
Permanent
mains supply
If pump requires more
than 1 amp supply current,
connection must be made
via a relay
Motorised
Valve
(Not Mid-position)
Room
stat
Cyl
stat
DHW CH
External 230 VAC
Programmer *
CH
CALL
SEQUENCE SUPPLY DHW PUMP OR VALVE
NL
MV
DHW
N
L
NL
CH PUMP
NL
MAINS IN
NL
DHW
CALL
im8194
21
MAINS VOLTAGE CH AND DHW CONTROLS WITH DHW VALVE OUTPUT
INSTALLATION

Related product manuals