EasyManua.ls Logo

IFM LR8000 - 6�1�2 Unit with Coaxial Probe

IFM LR8000
45 pages
Print Icon
To Next Page IconTo Next Page
To Next Page IconTo Next Page
To Previous Page IconTo Previous Page
To Previous Page IconTo Previous Page
Loading...
17
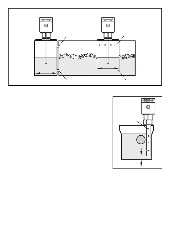
Fig. 6-5
d
d
A
B
C
D
6.1.2 Unit with coaxial probe
No minimum distances to the tank wall and the
baffles (B) are required�
Minimum distance to the bottom of the tank:
10 mm�
The vent hole (A) must not be covered by
mounting elements or similar
Do not install the unit in the immediate vicinity of
a fill opening� No water jets must enter into the
holes of the coaxial pipe�
A
B
10 mm
Note in case of foam formation: the vent of the coaxial pipe must be above the
maximum level� The lower edge of the coaxial pipe must be below the minimum
level�

Table of Contents

Related product manuals