EasyManua.ls Logo

Image DE100 - Page 30

Image DE100
74 pages
Print Icon
To Next Page IconTo Next Page
To Next Page IconTo Next Page
To Previous Page IconTo Previous Page
To Previous Page IconTo Previous Page
Loading...
INSTALLATION PROCEDURES
3-20
g. The supply and return lines should be insulated. This will save energy and provide for the
safety of the operator and maintenance personnel.
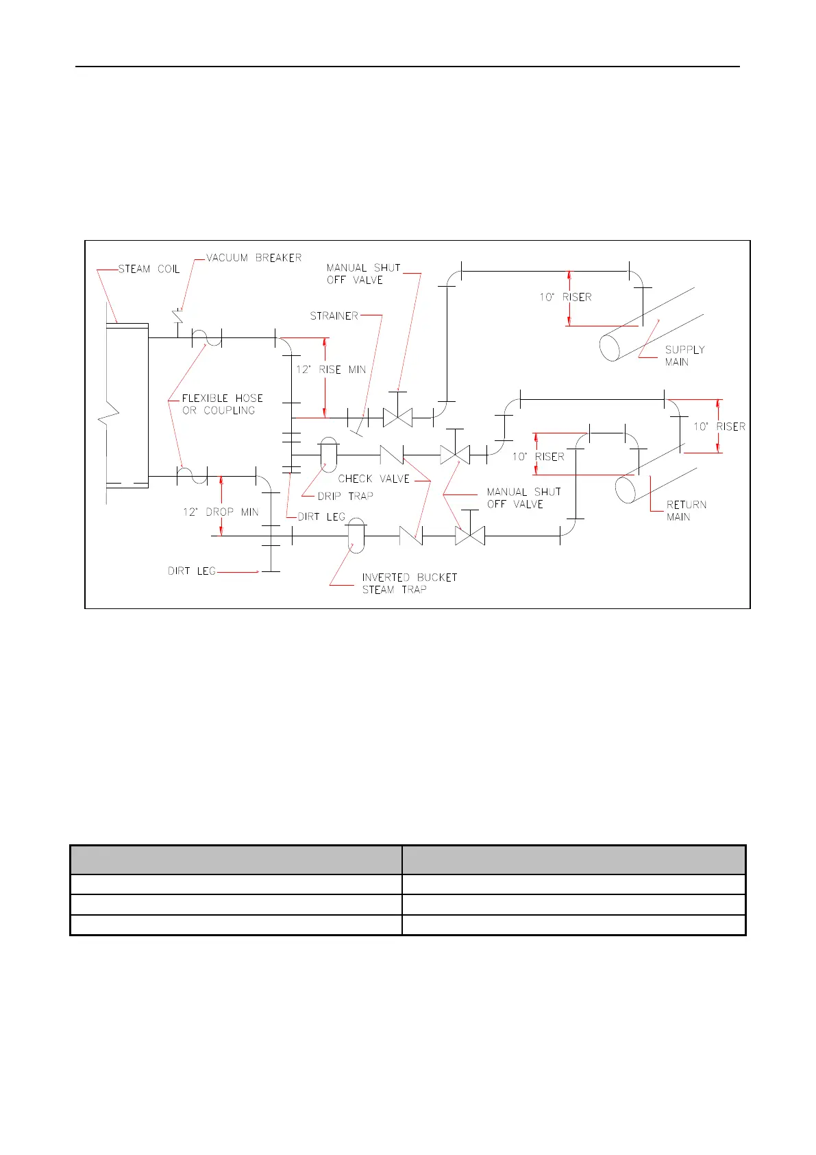
h. Water pockets in the supply line, caused by low points, will provide wet steam to the coil
possibly causing coil damage. All horizontal runs of steam supply piping should be
pitched 1/4 inch for every one (1) foot back towards the steam supply header causing
any condensate in the line to drain to the header. Install a bypass trap in any low point to
eliminate wet steam.
Figure.3-15 Typical of Steam System
3. Steam Damper Air System Connections
The Dryer 100 lb. is manufactured with a pneumatic (piston) damper system which
requires an external supply of compressed air. The air connection is made to the steam damper
solenoid valve which is located at the rear inner top area of the dryer just above the electric service
relay box
a. Air Requirements
Table 3-5 Steam Damper Air System Connections
Compressed Air Supply
Air Pressure
Normal
80 Psi
Minimum Supply
70 Psi
Maximum Supply
90 Psi
b. Air Connection
Air connection to system 8 mm.
No air regulation or filtration is provided with the dryer. External regulation / filtration of
80 Psi must be provided. It is suggested that a regulator / filter gauge arrangement be added to the

Related product manuals