EasyManua.ls Logo

Immergas V2 - Schema Elettrico Per Utilizzo Kit Su Impianto Diviso in 1 Zona Diretta E 2 Zone Miscelate

Immergas V2
Print Icon
To Next Page IconTo Next Page
To Next Page IconTo Next Page
To Previous Page IconTo Previous Page
To Previous Page IconTo Previous Page
Loading...
1
2
3
4
5
6
7
8
9
12
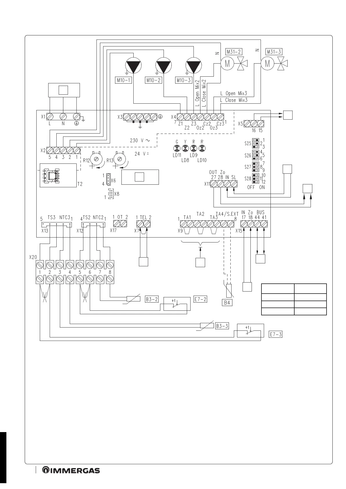
2.4 SCHEMA ELETTRICO PER UTILIZZO KIT SU IMPIANTO DIVISO IN 1 ZONA DIRETTA E 2 ZONE MISCELATE
9
Legenda:
B4 - Sonda esterna (optional)
B3-2 - Sonda mandata bassa temperatura
zona 2
B3-3 - Sonda mandata bassa temperatura
zona 3
E7-2 - Termostato sicurezza bassa tempera-
tura zona 2
E7-3 - Termostato sicurezza bassa tempera-
tura zona 3
M10-1 - Circolatore zona 1
M10-2 - Circolatore zona 2
M10-3 - Circolatore zona 3
M31-2 - Valvola miscelatrice zona 2
M31-3 - Valvola miscelatrice zona 3
R12 - Trimmer regolazione mandata bassa
temperatura zona 2
R13 - Trimmer regolazione mandata bassa
temperatura zona 3
S25 - Selettore impostazione scheda
S26 - Selettore impostazione scheda
S27 - Selettore impostazione scheda
S28 - Selettore impostazione scheda
T2 - Alimentatore bassa tensione scheda
zone
1 - Alimentazione 230 Vac 50 Hz
2 - Uscita richiesta riscaldamento a calda-
ia o altra scheda zone
3 - Ingresso richiesta riscaldamento da
altra scheda zone
4 - Uscita segnale di stato zone per altra
scheda zone
5 - Collegamento a termostato sicurezza a
bracciale
6 - Collegamenti a termostati ambiente
ON/OFF
7 - Ingresso segnale di stato zone da
caldaia o altra scheda zone
8 - Collegamento DIM BUS a caldaia
9 - Scheda zone
BK - Nero
BR - Marrone
BL - Blu
GY - Grigio
R - Rosso
OR - Arancione
Y/G - Giallo/Verde
Zona Tipo
Zona 1 Diretta
Zona 2 Miscelata
Zona 3 Miscelata
STD.009285/001

Related product manuals