EasyManua.ls Logo

Immergas V2 - Page 36

Immergas V2
Print Icon
To Next Page IconTo Next Page
To Next Page IconTo Next Page
To Previous Page IconTo Previous Page
To Previous Page IconTo Previous Page
Loading...
1
2
3
4
5
6
7
8
9
36
9
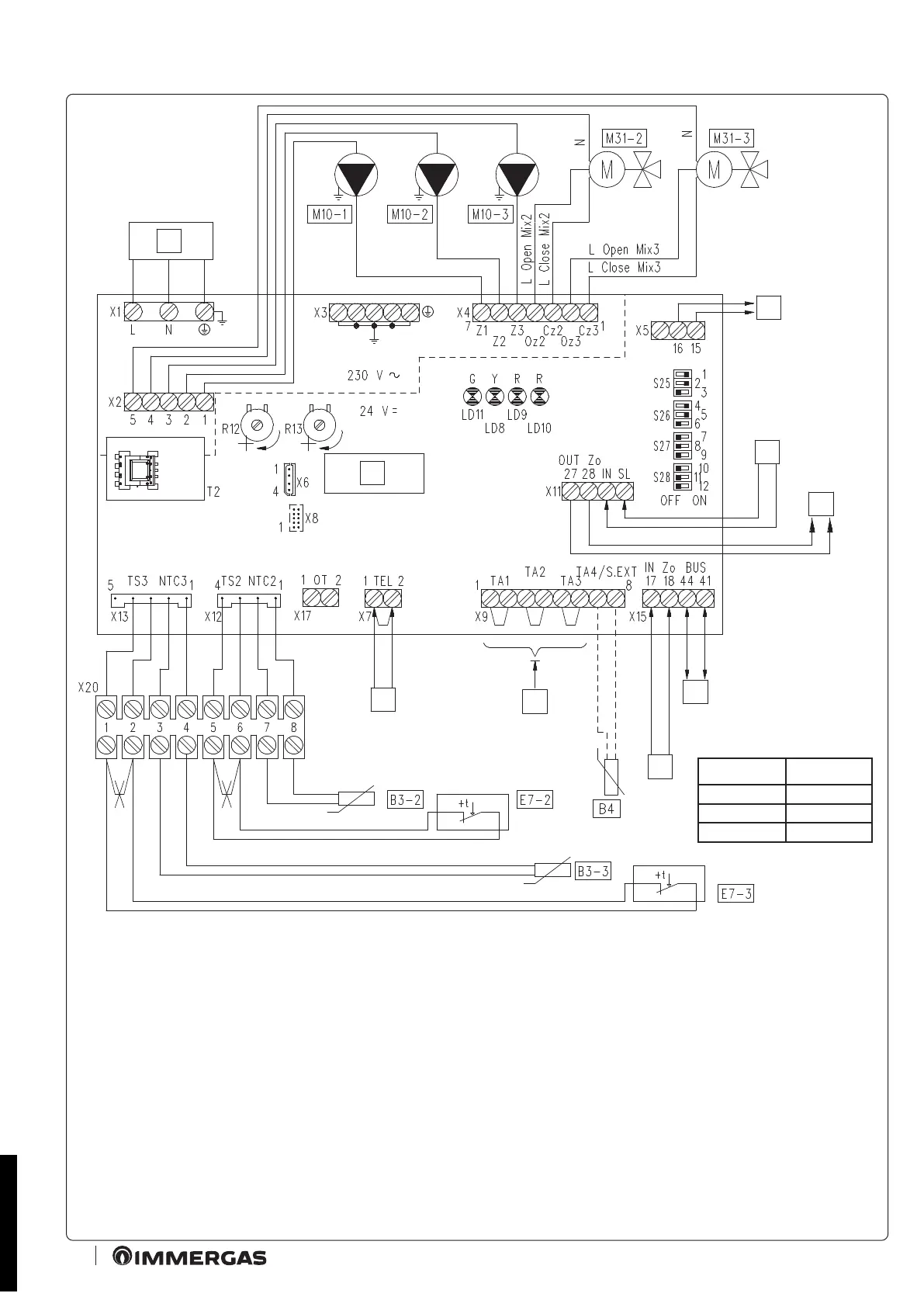
2.4 WIRING DIAGRAM FOR USING THE KIT ON A SYSTEM SPLIT INTO 1 DIRECT ZONE AND 2 MIXED ZONES
Key:
B4 - External probe (optional)
B3-2 - Zone 2 low temperature ow probe
B3-3 - Zone 3 low temperature ow probe
E7-2 - Zone 2 low temperature safety
thermostat
E7-3 - Zone 3 Low temperature safety
thermostat
M10-1 - Zone 1 circulator
M10-2 - Zone 2 circulator
M10-3 - Zone 3 circulator
M31-2 - Zone 2 mixing valve
M31-3 - Zone 3 mixing valve
R12 - Zone 2 low temperature ow
regulation trimmer
R13 - Zone 3 low temperature ow
regulation trimmer
S25 - P.C.B. setting selector
S26 - P.C.B. setting selector
S27 - P.C.B. setting selector
S28 - P.C.B. setting selector
T2 - Zones control unit low voltage feeder
1 - 230 Vac 50 Hz power supply
2 - Central heating request outlet to boiler
or other zones control unit
3 - Central heating request inlet from
other zones control unit
4 - Zones signal state outlet for other
zones control unit
5 - Connection to marker safety
thermostat
6 - Connections to ON/OFF room
thermostats
7 - Zones signal state inlet from boiler or
other zones control unit
8 - DIM BUS connection to boiler
9 - Zones control unit
BK - Black
BR - Brown
BL - Blue
GY - Grey
R - Red
OR - Orange
Y/G - Yellow/Green
Zone Type
Zone 1 Direct
Zone 2 Mixed
Zone 3 Mixed
STD.009285/001

Related product manuals