EasyManua.ls Logo

Integra DTR-4.6 - Connecting Audio and Video Signals

Integra DTR-4.6
137 pages
Print Icon
To Next Page IconTo Next Page
To Next Page IconTo Next Page
To Previous Page IconTo Previous Page
To Previous Page IconTo Previous Page
Loading...
DTR-4.6
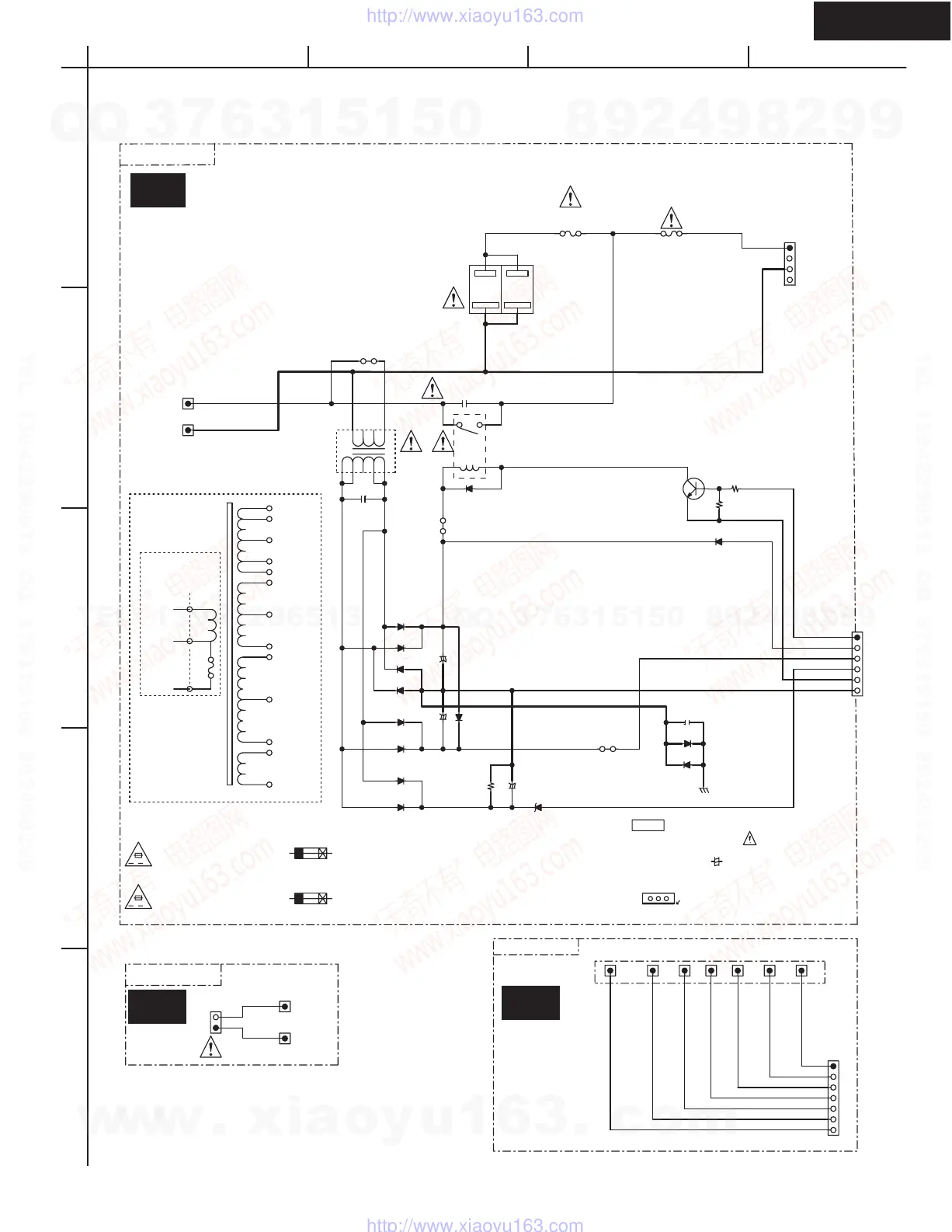
SCHEMATIC DIAGRAM 7
POWER SUPPLY SECTION
U04
FLAC1
FLAC2
SEC3-2
GND
SEC3-1
SEC2-2
SEC2-1
AC-H
AC-G
POFF1
APOWER
RLGND
+12VTRG
+10S
DGND
THIS SYMBOL LOCATED NEAR THE FUSE INDICATES
THAT THE FUSE USED IS SLOW OPERATING TYPE
FOR CONTINUED PROTECTION AGAINST FIRE FUSE
HAZARD,REPLACE WITH SAME TYPE FUSE. FOR FUSE
RATING REFER TO THE MAKING ADJACENT TO THE SYMBOL.
CE SYMBOLE INDIQUE QUE LE FUSIBLE UTLISE EST
A LENT, E POUR UNE PROTECTION PERMANENTE,N'UTILISER
QUE DES FUSIBLES DE MEME TYPE. CE DARNIER EST
INDIQUE LA QU LE PRESENT SYMBOL EST APPOSE.
FOR CONTINUED PROTECTION
AGAINST FIRE HAZARD, REPLACE
ONLY WITH FUSE OF SAME TYPE
AND RATING INDICATED.
AV
AFIN D'ASSURER UNE PROTECTION
PERMANENTE CONTRE LES RISQUES
D'INCENDIE, REMPLACER UNIQUEMENT
PAR UN FUSIBLE DE MEME TYPE
ET CALIBRATION COMME INDIQUE.
ATTENTIION
AV
ARE CRITICAL FOR SAFETY.THE COMPONENTS IDENTIFIED BY MARK
REPLACE ONLY WITH PART NUMBER SPECIFIED.
ELECTROLYTIC CAPACITORS ARE IN
uF/WV.
ALL CAPACITORS ARE IN pF/50WV UNLESS OTHERWISE NOTED.
ALL RESISTORS ARE IN OHMS 1/4WATTS UNLESS OTHERWISE NOTED.
EX) 030 3pF 330 33pF 331 330pF 333 0.033uF
CIRCUIT IS SUBJECT TO CHANGE FOR IMPROVEMENT.
THE THICK LINES ON PC BOARD ARE THE PRINTING SIDE OF THE PARTS
EX PRINTING SIDE
+
NOTE
NAETC-8671
AC-HAC-G
TO TRANS 2nd OUT
NAPS-8673
INLET
NAPS-8664
TO NAPS-8664
NPT-1519JQ
T902
CAUTION
S2+
S2-
S4+
S4-
S3-
TO NAAF-8678 JL6952B
TO NAPS-8665 P951TO NAPS-8665 P952
T901
S1+
S1H+
S1-
S1H-
1
2
3
TO NAPS-8664
S3+
GND
GND
GND
P906B
1
P907B
1
P908
1
2
JL9501A
TO NAPS-8665
14
13
12
11
10
9
8
C906
3.3/50
+
C904
100/50
+
C903
2200/35
+
D909
1SS133
D901
1SS133
D902
1SS133
D903
1SS133
D904
1SS133
D905
1SS133
D908
1SS133
R909
100K
D906
1SS133
D907
1SS133
D910
DZ5.6BSB
C902
223J
J901
AC_INPUT
From INLET
1
2
3
4
5
6
7
8
9
P906A
1
P907A
1
J907
J905
D913
1SS133
JL911A
1
2
3
4
5
6
R913
1K
R914
100K
Q912
2SC1740
D912
1SS133
RL902
4
3 2
1
C912
103M/275
F903
P910
1
2
4
3
F901
C991
222J
D991
1SS133
D992
1SS133
P991
P912
1
3
U049
U048
AC120V 60Hz
5A-UL/T-233
10A-UL/T-233
NPT-1525D
A
1
2
3
4
5
BCD
w
w
w
.
x
i
a
o
y
u
1
6
3
.
c
o
m
Q
Q
3
7
6
3
1
5
1
5
0
9
9
2
8
9
4
2
9
8
T
E
L
1
3
9
4
2
2
9
6
5
1
3
9
9
2
8
9
4
2
9
8
0
5
1
5
1
3
6
7
3
Q
Q
TEL 13942296513 QQ 376315150 892498299
TEL 13942296513 QQ 376315150 892498299
http://www.xiaoyu163.com
http://www.xiaoyu163.com

Table of Contents