EasyManua.ls Logo

Integra DTR-5.2 - Video Component Connections; Connecting Video Components

Integra DTR-5.2
52 pages
Print Icon
To Next Page IconTo Next Page
To Next Page IconTo Next Page
To Previous Page IconTo Previous Page
To Previous Page IconTo Previous Page
Loading...
12
Connections
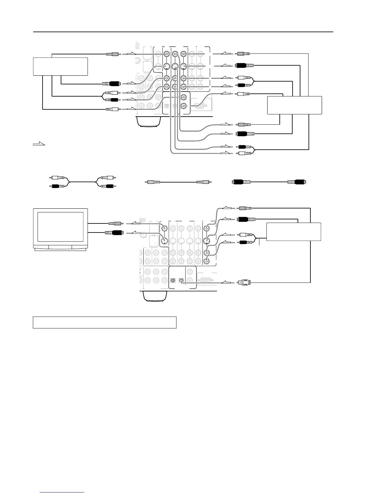
Connecting your video components
Below is an example of how you can connect your video
components to the DTR-5.2. Refer to the diagram above for the
following connection examples.
The flow of the video signals is as follows:
The signal that comes in from VIDEO IN is sent to VIDEO
OUT.
The signal that comes in from S VIDEO IN is sent to S VIDEO
OUT
4. Connecting a DVD player (DVD)
If the device is equipped with an S video output terminal, connect it
to the DVD S VIDEO IN terminal with an S video cable. If it does
not have an S video output terminal, connect its video output
terminal to the DVD VIDEO IN terminal using an RCA-type video
connection cable. You do not need to connect to both the DVD S
VIDEO IN and DVD VIDEO IN terminals.
Using an RCA-type audio connection cable, connect the audio
output terminal on the device to the audio DVD IN jacks on the
DTR-5.2. Make sure that you properly connect the left channel to the
L jack and the right channel to the R jack.
If the device has a digital output jack as well, be sure to also connect
it to either a DIGITAL INPUT (COAXIAL) or DIGITAL INPUT
(OPTICAL) jack on the DTR-5.2 depending on the type of
connector on the DVD player.
With the initial settings of the DTR-5.2, the DVD input source is
set for digital input at the COAXIAL 1 jack.
If the digital connection is made at a different jack, this must be
changed at the setup menu: Input Setup Audio Setup Digital
Input (see page 29).
5. Connecting a video cassette recorder (VIDEO 1)
If the video cassette recorder is equipped with an S video output
terminal, connect it to the S VIDEO 1 IN terminal with an S video
cable. If it does not have an S video output terminal, connect its
video output terminal to the VIDEO 1 IN terminal using an RCA-
type video connection cable. You do not need to connect to both the
S VIDEO 1 IN and VIDEO 1 IN terminals.
Using an RCA-type audio connection cable, connect the audio
output terminal on the video cassette recorder to the same VIDEO 1
IN audio jacks on the DTR-5.2 and audio input terminal to the
VIDEO 1 OUT audio jacks. Make sure that you properly connect the
left channel to the L jack and the right channel to the R jack.
REMOTE
CONTROL
CENTER
SUB
WOOFER
FRONT
SURR
R
OPTICAL
COAXIAL
1
2
1 2
T
MULTI
CHANNEL INPUT
DIGITAL
INPUT
L
R
OUT
IN
O
TAPE
CD
RS
232
L
R
VIDE
O
IN
OUT
IN
IN
IN
S
VIDE
O
12
V
TRIGGER
MONITOR
OUT
DVD
VIDEO
3
VIDEO
2
VIDEO
1
4. DVD player
(DVD)
Video output
S video output
Analog audio output
Digital audio output (Coaxial)
L (White)
R (Red)
5. VCR (VIDEO 1)
Video output
Video input
S video output
S video input
Analog audio output
Analog audio input
Digital audio output
(Coaxial)
L (White)
S video
V
R (Red)
L (White)
R (Red)
VIDEO
L
R
S
VIDEO
2
REMOTE
CONTROL
CENTER
SUB
WOOFER
FRONT
SURR
FER
OPTICAL
COAXIAL
1
2
12
U
T
MULTI
CHANNEL INPUT
DIGITAL
INPUT
L
R
OUT
IN
O
NO
TAPE
CD
RS
232
L
R
VID
E
IN
OUT
IN
IN
IN
S
VI
D
12
V
TRIGGER
MONITOR
OUT
DVD
VIDEO
3
VIDEO
2
VIDEO
1
Digital audio output (optical)
Analog audio output
Video output
S video output
L (White)
R (Red)
6. Satelite tuner, TV,
or settop box
(VIDEO 2 / VIDEO 3)
Video input
S video input
7. TV monitor or Projector
(MONITOR OUT)
: Signal flow
Audio connection cable
L
R
Video connection cable S Video connection cableLeft (White)
Right (Red)

Related product manuals