EasyManua.ls Logo

Integra DTR-6.5 - Page 57

Integra DTR-6.5
119 pages
Print Icon
To Next Page IconTo Next Page
To Next Page IconTo Next Page
To Previous Page IconTo Previous Page
To Previous Page IconTo Previous Page
Loading...
CS
SIN
SCLK
RST
CTR-A
CTR-B
NSDET
SDET
VDD1
VDD2
VSS
SYNCDET
VCOIN
VCOOUT
FC
AMPIN
AMPOUT
PDOUT
SYSIN
SEPC
SERIAL
PARALLEL
CONVERSION
A F C
CIRCUIT
SYNCHRO-
NIZING
SEPARATION
COMPOSITE
SYNCHRONIZING
SEPARATION
CIRCUIT
INDICATOR
RAM
DECODER
ROM
SHIFT
REGISTER
HSYN OUT
VSYN OUT
XTAL
IN1
XTAL
IN2
XTAL
OUT1
XTAL
OUT2
CVCR
CVIN
CVOUT
ON/OFF
INVERSION
CONTROL CIRCUIT
8 BITS
LATCH
AND
COMMAND
DECODER
COMPOSITE
SYNCHRO-
NIZING
SIGNAL
CONTROL
SYNCHRO-
NIZING
DISCRIMI-
NATION
HORIZONTAL
CHARACTER
SIZE
REGISTER
VERTICAL
CHARACTER
SIZE
REGISTER
VERTICAL
INDICATION
POSITION
REGISTER
HORIZONTAL
INDICATION
POSITION
REGISTER
CHARACTER OUTPUT CONTROL
BACKGROUND CONTROL
VIDEO OUTPUT CONTROL
SYNCHRONIZING
SIGNAL
GENERATOR
TIMING
GENERATOR
CHARACTER
CONTROL
COUNTER
LINE
CONTROL
COUNTER
HORIZONTAL
INDICATION
POSITION
DETECTOR
VERTICAL
INDICATION
POSITION
DETECTOR
ON/OFF
INVERSION
CONTROL
REGISTER
INDICATOR
CONTROL
REGISTER
RAM WRITE
ADDRESS
COUNTER
DECODER
VERTICAL
DOT COUNTER
HORIZONTAL
DOT COUNTER
VERTICAL
SIZE
COUNTER
HORIZONTAL
SIZE
COUNTER
FONT
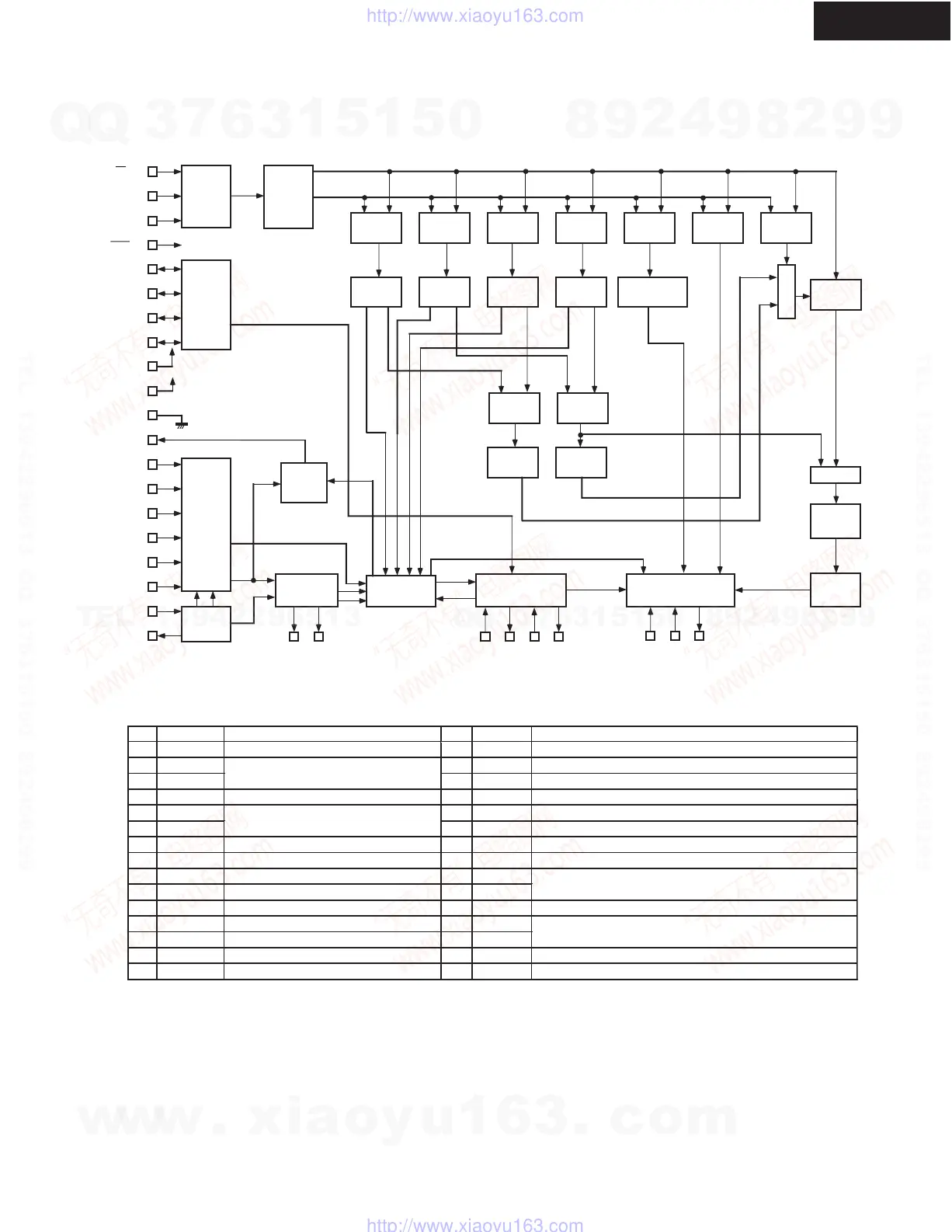
No. Symbol Description No. Symbol Description
1 VSS Ground terminal 16 CVOUT Composite video output terminal
2 XTALIN1
Crystal oscillator connection terminals for.
17 VDD2 Power supply terminal for composite video signal
3 XTALOUT1
internal synchronizing signal generator
18 CVIN Composite video signal input terminal
4 HSYNCOUT Horizontal synchronizing signal output terminal 19 CVCR Cromatic signal input term,inal
5 XTALIN2
Crystal oscillator connection terminals for
20 SYNCIN Video signal input terminal for internal synchronizing separation circuit
6 XTALOUT2
internal synchronizing signal generator
21 SEPC Bias output pin for internal synchronizing separation circuit
7 VSYNCOUT Vertical synchronizing signal output terminal 22 VSS Ground terminal
8 CS Chip enable input terminal 23 PDOUT Power supply output terminal for AFC circuit
9 SIN Serial data input terminal 24 AMPIN
Filter connection terminals
10 SCLK Clock input terminal for serial data 25 AMPOUT
11 CTR-A Video control output terminal 26 FC Power supply output terminal
12 CTR-B Video control output terminal 27 VCOIN
LC resonator connection terminals for VCO
13 NSDET Selection pin for PAL or NTSC 28 VCOOUT
14 SDET Signal detection terminal 29 SYNCDET External synchronizing signal discrimination output terminal
15 RST System reset input terminal 30 VDD1 Power supply terminal
DTR-6.5
IC BLOCK DIAGRAMS AND DESCRIPTIONS
LC74763-9836(On-screen and controller)
w
w
w
.
x
i
a
o
y
u
1
6
3
.
c
o
m
Q
Q
3
7
6
3
1
5
1
5
0
9
9
2
8
9
4
2
9
8
T
E
L
1
3
9
4
2
2
9
6
5
1
3
9
9
2
8
9
4
2
9
8
0
5
1
5
1
3
6
7
3
Q
Q
TEL 13942296513 QQ 376315150 892498299
TEL 13942296513 QQ 376315150 892498299
http://www.xiaoyu163.com
http://www.xiaoyu163.com

Related product manuals