EasyManua.ls Logo

Integra DTR-7.2 - Speaker Cable and Subwoofer Connection; Connecting Speaker Cables; Subwoofer Connection

Integra DTR-7.2
40 pages
Print Icon
To Next Page IconTo Next Page
To Next Page IconTo Next Page
To Previous Page IconTo Previous Page
To Previous Page IconTo Previous Page
Loading...
DTR-7.2
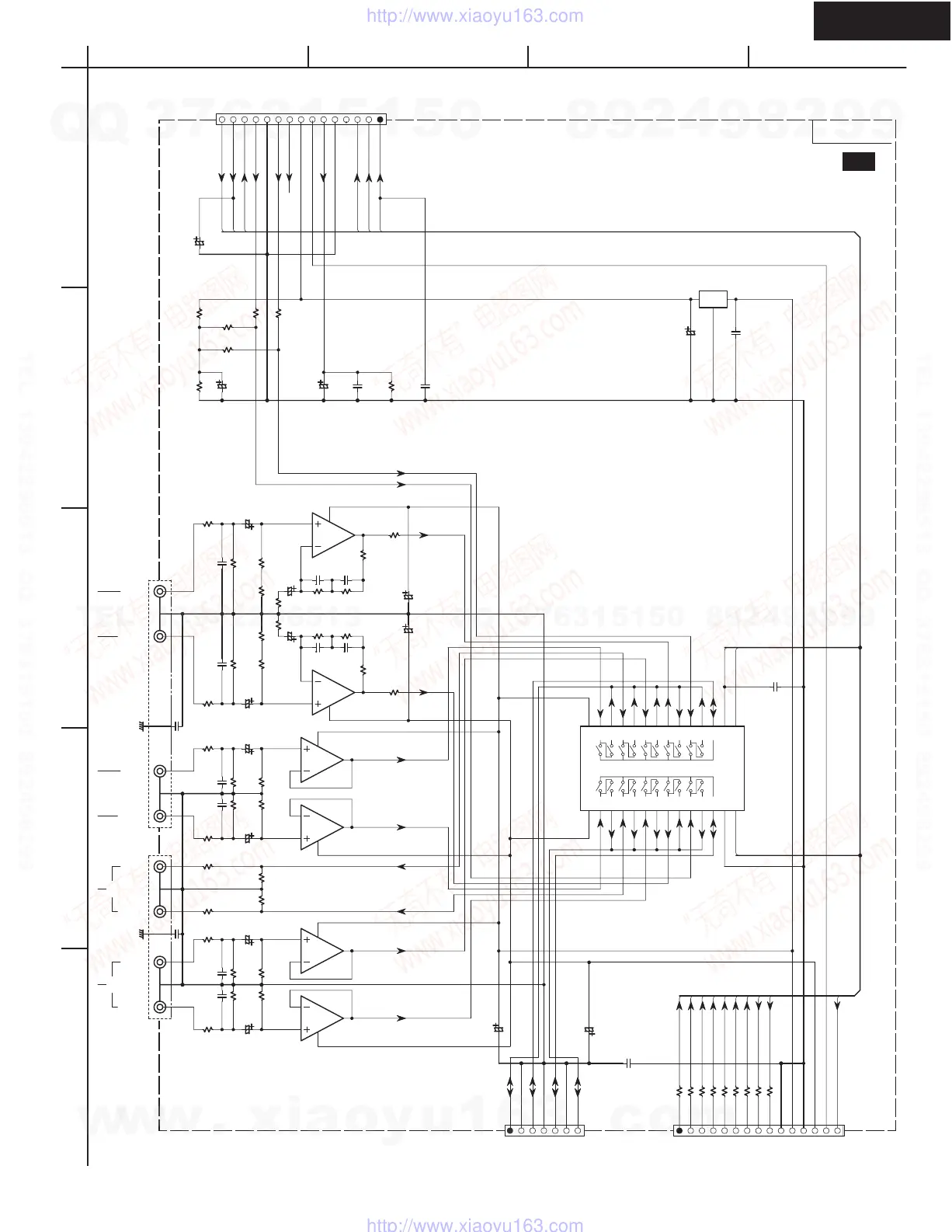
SCHEMATIC DIAGRAM 3-2 Audio I/O section
U32
A
1
2
3
4
5
BCD
C3080
104Z
C3100
101J
C3000
C3001
C3020
331J
C3021
331J
C3022
331J
C3023
331J
C3081
104Z
C3140
104Z
C1001
104Z
C1004
101J
(CH)
C3008
123J
C3010
392J
C3009
123J
C3011
392J
R3013
0
R3012
0
R3010
22K
R3017
1.2K
R3016
1.2K
R1004
100K
R1003
100K
R1006
100
R1005
100K
R1000
330
R1001
330
R3008
270K
R3001
330
R3005
470K
R3003
56K
R3000
330
R3004
470K
R3002
56K
R3006
560
R3009
270K
R3011
22K
R3007
560
R3014
47K
R3015
47K
R3021
330
R3029
220K
R3025
56K
R3020
330
R3028
220K
R3024
56K
R3031
220K
R3030
220K
R3023
330
R3027
56K
R3022
330
R3026
56K
R3033
2.2K
R3032
2.2K
R3035
220K
R3034
220K
R1002
100K
R1013 2.2K
R1014
2.2K
R3102
2.2K
R3100
2.2K
R3101
2.2K
R1012
2.2K
R1011
2.2K
R1010
2.2K
R1015
2.2K
C1007
10/16
C1006
3.3/50
C1002
10/16
C3003
47/50
C3002
47/50
C3007
220/6.3
C3006
220/6.3
C3122
220/16
C3123
220/16
C3027
47/50
C3026
47/50
C3028
47/50
C3029
47/50
C1003
3.3/50
C3121
47/16
C3120
47/16
C1005
101J
Q3000
NJM4565M-D
3
8
2
1
Q3020
NJM4565M-D
3
8
2
1
Q3021
NJM4565M-D
3
8
2
1
Q3000
5
6
4
7
Q3020
5
6
4
7
Q3021
5
6
4
7
P3000
LEFT
PHONO
RIGHT
LEFT
CD
RIGHT
P3010B
TO NAAR-7267 (SCH-9-1)
STB
CL DATA
GND
VSS VDD
Q3100 TC9273F-017
1
2
3
4
5
6
7
8
9
10
11
12
13
14 15
16
17
18
19
20
21
22
23
24
25
26
27
28
P3001
TAPE
LEFT
REC OUT
RIGHT
LEFT
PLAY IN
RIGHT
P1010A
TO TUNER PACK
P3011B
TO NAAR-7267 (SCH-9-1)
Q1001
78M12
G
I
O
SD
TMUT
TUR
GND
TUL
DET
12VTU
+5V
FMSIG
GND
VPCL
VPDATA
PLLSTB
STEREO
ISTB
FDATA
FCL
ISTB
FCL
FDATA
PLLSTB
VPDATA
VPCL
TMUT
SD
STEREO
+15V
GND
-15V
+5V
RDSDET
RZ2L
AGND
IL
AGND
IR
AGND
RZ2R
NAAF-7263
101K
101K
w
w
w
.
x
i
a
o
y
u
1
6
3
.
c
o
m
Q
Q
3
7
6
3
1
5
1
5
0
9
9
2
8
9
4
2
9
8
T
E
L
1
3
9
4
2
2
9
6
5
1
3
9
9
2
8
9
4
2
9
8
0
5
1
5
1
3
6
7
3
Q
Q
TEL 13942296513 QQ 376315150 892498299
TEL 13942296513 QQ 376315150 892498299
http://www.xiaoyu163.com
http://www.xiaoyu163.com

Other manuals for Integra DTR-7.2

Related product manuals