EasyManua.ls Logo

Integra DTR-7.2 - Connecting Antennas; Included Antenna Setup; AM Loop Antenna Assembly and Connection

Integra DTR-7.2
40 pages
Print Icon
To Next Page IconTo Next Page
To Next Page IconTo Next Page
To Previous Page IconTo Previous Page
To Previous Page IconTo Previous Page
Loading...
DTR-7.2
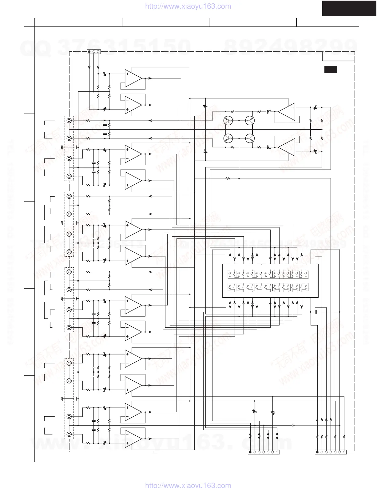
SCHEMATIC DIAGRAM 3-1
Audio I/O section
U33
A
1
2
3
4
5
BCD
C3340
104Z
C3300
101J
C3280
104Z
C3281
104Z
C3282
104Z
C3283
104Z
C3404
102J
C3405
102J
C3200
331J
C3201
331J
C3202
331J
C3203
331J
C3204
331J
C3205
331J
C3206
331J
C3207
331J
C3208
331J
C3209
331J
R3321
R3320
22 1/2W
R3301
2.2K
R3300
2.2K
R3230
220K
R3231
220K
R3206
330
R3218
56K
R3207
330
R3219
56K
R3232
220K
R3233
220K
R3208
330
R3220
56K
R3209
330
R3221
56K
R3228
220K
R3229
220K
R3204
330
R3216
56K
R3205
330
R3217
56K
R3238
2.2K
R3239
2.2K
R3236
2.2K
R3237
2.2K
R3226
220K
R3227
220K
R3202
330
R3203
330
R3214
56K
R3215
56K
R3410
100
R3411
100
R3240
220K
R3241
220K
R3242
220K
R3243
220K
R3200
330
R3201
330
R3224
220K
R3225
220K
R3212
56K
R3213
56K
R3234
220K
R3235
220K
R3222
56K
R3223
56K
R3408
680
R3409
680
R3302 2.2K
R3310
220K
R3402
220K
R3400
56K
R3404
560
R3403
220K
R3401
56K
R3405
560
R3407
120
R3406
120
C3218
47/50
C3219
47/50
C3220
47/50
C3221
47/50
C3216
47/50
C3217
47/50
C3214
47/50
C3215
47/50
C3212
47/50
C3213
47/50
C3222
47/50
C3223
47/50
C3320
220/16
C3321
220/16
C3322
47/16
C3323
47/16
C3400
47/50
C3401
47/50
C3402
47/50
C3403
47/50
Q3203
NJM4565M-D
3
8
2
1
Q3204
NJM4565M-D
3
8
2
1
Q3202
NJM4565M-D
3
8
2
1
Q3201
NJM4565M-D
3
8
2
1
Q3200
NJM4565M-D
3
8
2
1
Q3205
NJM4565M-D
3
8
2
1
Q3400
NJM4565M-D
3
8
2
1
Q3203
5
6
4
7
Q3204
5
6
4
7
Q3202
5
6
4
7
Q3201
5
6
4
7
Q3200
5
6
4
7
Q3205
5
6
4
7
Q3400
5
6
4
7
Q3410
RN1441
Q3411
RN1441
Q3412
RN1441
Q3413
RN1441
DATA
FUNC
CL
GND
VDD VSS
Q3300 TC9274AN-008
1
2
3
4
5
6
7
8
9
10
11
12
13
14
15
16
17
18
19
20
2122
23
24
25
26
27
28
29
30
31
32
33
34
35
36
37
38
39
40
41
42
P3210B
TO NAAR-7267 (SCH-9-1)
P3211B
TO NAAR-7267 (SCH-9-1)
P3202
VIDEO 2
LEFT
REC OUT
RIGHT
LEFT
PLAY IN
RIGHT
P3201
VIDEO 1
LEFT
REC OUT
RIGHT
LEFT
PLAY IN
RIGHT
P3200
ZONE 2
DVD
LEFT
LINE OUT
RIGHT
LEFT
PLAY IN
RIGHT
P3203
VIDEO 3
VIDEO 4
LEFT
PLAY IN
RIGHT
LEFT
PLAY IN
RIGHT
P3220A(SCH-1-2)
VIDEO 5
V5R
AGND
V5L
ISTB
FCL
FDATA
MUTZ2
+15V
GND
-15V
RZ2L
AGND
IL
AGND
IR
AGND
RZ2R
NAAF-7264
22 1/2W
w
w
w
.
x
i
a
o
y
u
1
6
3
.
c
o
m
Q
Q
3
7
6
3
1
5
1
5
0
9
9
2
8
9
4
2
9
8
T
E
L
1
3
9
4
2
2
9
6
5
1
3
9
9
2
8
9
4
2
9
8
0
5
1
5
1
3
6
7
3
Q
Q
TEL 13942296513 QQ 376315150 892498299
TEL 13942296513 QQ 376315150 892498299
http://www.xiaoyu163.com
http://www.xiaoyu163.com

Other manuals for Integra DTR-7.2

Related product manuals