EasyManua.ls Logo

ISA T 2000 - Page 91

Default Icon
110 pages
Print Icon
To Next Page IconTo Next Page
To Next Page IconTo Next Page
To Previous Page IconTo Previous Page
To Previous Page IconTo Previous Page
Loading...
DOC. MIE11110 Rev. 5
Page
91
of
110
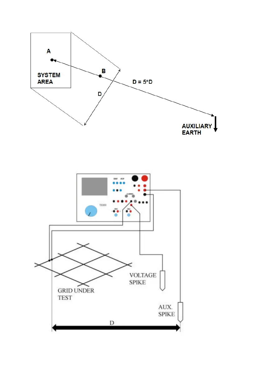
The connection diagram is the following.

Related product manuals