EasyManua.ls Logo

Jackle conMIG 445 - Supported Material and Wire Combinations; conMIG 445 Circuit Diagram Details; Power Source and Control Unit Schematics; Wire Feed Case Connections

Default Icon
Print Icon
To Next Page IconTo Next Page
To Next Page IconTo Next Page
To Previous Page IconTo Previous Page
To Previous Page IconTo Previous Page
Loading...
conMIG 400/445/545
Operating manual Page 64
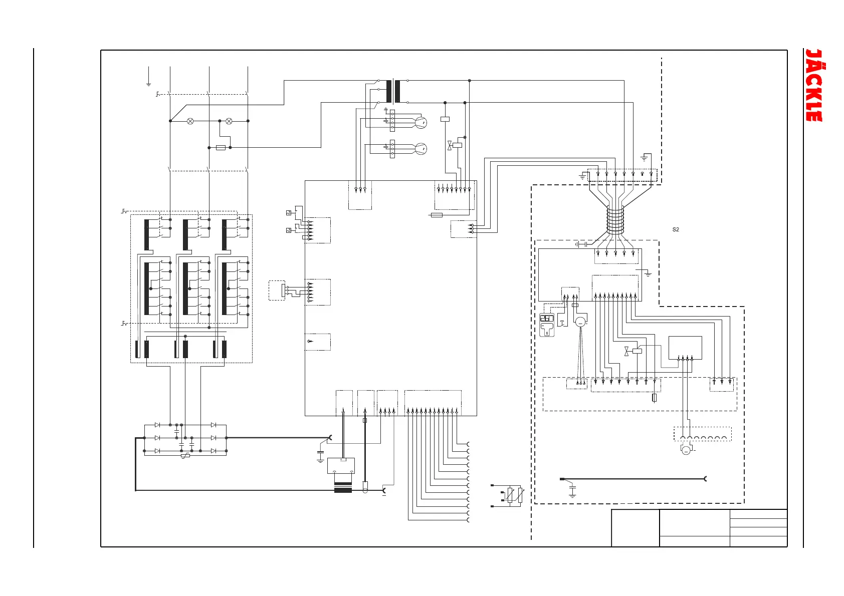
Schaltplan conMIG 445
J
Ä
C
K
L
E
1
2
3+
GND
#
A7
3
2
1
X7
1
-
1
4
X2
1
-
1
0
X4
A5
1
-
1
4
X3
A6
MC - CHO
1
X10
2
3
4
5
6
3
X5
2
1
A3
MC - AREM
T 1A
FH3
5
4
3
2
1
Z
S
P
2
3
4
1
M
C
1
-
4
6
7
8
5
1
0
9
5
3
4
1
2
7
6
8
M
C
3
,
4
A
1
T
6
,
3
A
F
2
X
1
X
5
3
G
1
H
2
L
A
2
M
C
-
D
V
V
C1
+
C
2
PE
L1 L2 L3
Q1
1 3 5
642
K1
2
1
4
3
6
5
K1
A2
A1
V1
Y1
2
3
4
1
X11
6
7
8
5
1
0
1
1
1
2
9
A
B
C
D
E
F
G
H
J
K
L
M
E
C
1
E
C
2
1
X8
2
3
4
5
6
S3
S2
N
a
m
e
:
D
a
t
u
m
:
4
0
0
V
3
~
5
0
H
z
S
c
h
w
e
i
ß
-
u
n
d
S
c
h
n
e
i
d
t
e
c
h
n
i
k
L1
Y
2
5
4
3
2
1
1
2
3
4
5
6
7
8
2
3
4
1
M
1
M3
5
µ
F
M
1
M2
1
µ
F
X1
X12
S3
T2
4
0
0
V
2
3
0
V
0
V
4
2
V
0
V
F1
T
2
A
+
G
e
r
l
a
c
h
1
7
.
0
2
.
1
2
H2 H1
V
1
T
2
T
1
Y
2
Y
1
A
5
A
6
A
7
Q
1
L
1
M
1
M
2
M
3
S
1
S
3
K
1
Q
1
Q
1
A
2
A
3
A
1
C
1
,
C
2
H
1
,
H
2
N
r
.
:
c
o
n
M
I
G
.
0
0
1
F
1
C2
Ferrit
PE
2
3
4
1
6
7
5
O
p
t
i
o
n
P
u
s
h
-
p
u
l
l
~
+
~
-
+
O
P
T
I
O
N
P
u
s
h
-
p
u
l
l
M
7
6
P
E
-
+
-
+
T
o
r
c
h
M
o
t
o
r
+
S
1
M
F
e
r
r
i
t
4
6
2
I
S
P
O
P
T
I
O
N
:
E
n
c
o
d
e
r
+
-
+
S
t
r
o
m
l
a
u
f
p
l
a
n
Werkstück
b
l
a
u
s
c
h
w
.
b
r
a
u
n
b
l
a
u
b
r
a
u
n
s
c
h
w
.
M
a
g
n
e
t
v
e
n
t
i
l
S
t
e
u
e
r
t
r
a
f
o
S
c
h
w
e
i
ß
t
r
a
f
o
i
m
K
o
f
f
e
r
i
m
G
e
r
ä
t
M
a
g
n
e
t
v
e
n
t
i
l
G
l
e
i
c
h
r
i
c
h
t
e
r
P
l
a
t
i
n
e
M
C
-
C
H
O
(
D
r
o
s
s
e
l
r
e
g
e
l
u
n
g
)
P
l
a
t
i
n
e
I
-
S
e
n
s
e
(
S
t
r
o
m
m
e
s
s
u
n
g
)
D
u
r
c
h
f
l
u
ß
m
e
s
s
e
r
K
ü
h
l
w
a
s
s
e
r
H
a
u
p
t
s
c
h
a
l
t
e
r
D
r
o
s
s
e
l
D
r
a
h
t
v
o
r
s
c
h
u
b
m
o
t
o
r
V
e
n
t
i
l
a
t
o
r
W
a
s
s
e
r
p
u
m
p
e
B
r
e
n
n
e
r
t
a
s
t
e
r
T
h
e
r
m
o
s
c
h
a
l
t
e
r
G
l
e
i
c
h
r
i
c
h
t
e
r
9
0
°
C
T
h
e
r
m
o
s
c
h
a
l
t
e
r
T
r
a
f
o
1
7
0
°
C
Brenner
D
r
a
h
t
v
o
r
s
c
h
u
b
k
o
f
f
e
D
V
K
S
t
r
o
m
f
l
i
e
ß
t
S
t
r
o
m
f
l
i
e
ß
t
T
-
d
o
w
n
T
-
u
p
T
-
B
T
+
2
4
V
+
1
0
V
U
-
L
e
i
t
s
p
g
.
1
U
-
L
e
i
t
s
p
g
.
2
G
N
D
I
-
I
s
t
U
-
I
s
t
F
e
r
n
b
e
d
i
e
n
u
n
g
s
-
O
p
t
i
o
n
e
n
Z
w
i
s
c
h
e
n
-
s
c
h
l
a
u
c
h
-
p
a
k
e
t
N
e
t
z
s
c
h
ü
t
z
S
t
u
f
e
n
s
c
h
a
l
t
e
r
g
r
o
b
S
t
u
f
e
n
s
c
h
a
l
t
e
r
f
e
i
n
P
l
a
t
i
n
e
M
C
-
D
V
V
P
l
a
t
i
n
e
M
C
-
A
R
E
M
S
t
e
u
e
r
b
o
x
M
C
3
,
4
o
d
e
r
5
K
o
n
t
r
o
l
l
l
e
u
c
h
t
e
N
e
t
z
K
o
n
d
e
n
s
a
t
o
r
0
,
1
µ
F
/
6
3
0
V
S
t
r
o
m
q
u
e
l
l
e
c
o
n
M
I
G
P
r
i
m
ä
r
s
i
c
h
e
r
u
n
g
B
r
e
n
n
e
r
Flachband
F
l
a
c
h
b
a
n
d
T
u
c
h
e
l
d
o
s
e
7
-
p
o
l
i
g
(
O
p
t
i
o
n
P
u
s
h
-
p
u
l
l
)
O
p
t
i
o
n
D
i
s
p
l
a
y
B
r
e
n
n
e
r
Q2
Q3
10
12
23
22
21
25
26
27
28
24
Y
78
16
18
33
32
31
35
36
37
38
34
Z
1314
4
6
13
12
11
15
16
17
18
14
X
12
T1
c
o
n
M
I
G
4
4
5

Related product manuals