EasyManua.ls Logo

Jackle conMIG 445 - DVK 3 Wire Feed Unit Features; DVK 4 Wire Feed Unit Features; conMIG 545 Circuit Diagram Details

Default Icon
Print Icon
To Next Page IconTo Next Page
To Next Page IconTo Next Page
To Previous Page IconTo Previous Page
To Previous Page IconTo Previous Page
Loading...
conMIG 400/445/545
Operating manual Page 66
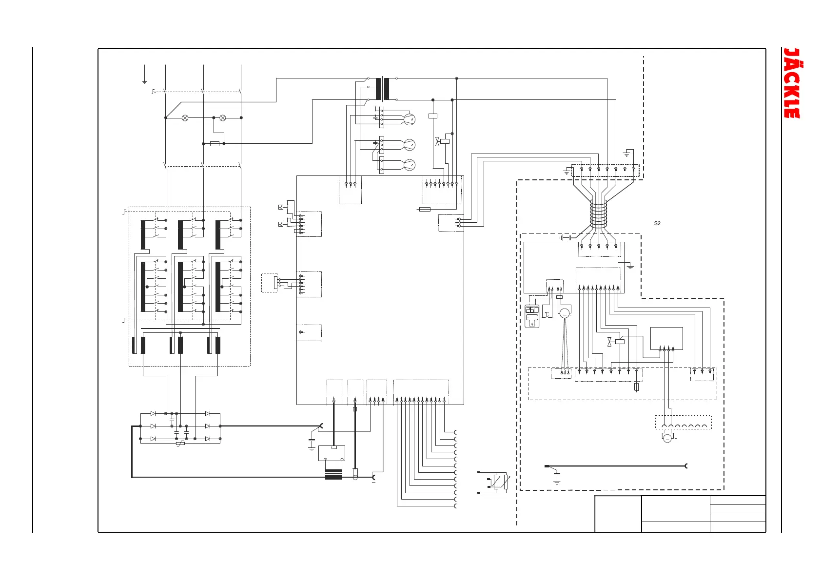
Schaltplan conMIG 545
J
Ä
C
K
L
E
1
2
3+
GND
#
A7
3
2
1
X7
1
-
1
4
X2
1
-
1
0
X4
A5
1
-
1
4
X3
A6
MC - CHO
1
X10
2
3
4
5
6
3
X5
2
1
A3
MC - AREM
T 1A
FH3
5
4
3
2
1
Z
S
P
2
3
4
1
M
C
1
-
4
6
7
8
5
1
0
9
5
3
4
1
2
7
6
8
M
C
3
,
4
A
1
T
6
,
3
A
F
2
X
1
X
5
3
G
1
H
2
L
A
2
M
C
-
D
V
V
C1
+
C
2
PE
L1 L2 L3
Q1
1 3 5
642
K1
2
1
4
3
6
5
K1
A2
A1
V1
Y1
2
3
4
1
X11
6
7
8
5
1
0
1
1
1
2
9
A
B
C
D
E
F
G
H
J
K
L
M
E
C
1
E
C
2
1
X8
2
3
4
5
6
S3
S2
N
a
m
e
:
D
a
t
u
m
:
4
0
0
V
3
~
5
0
H
z
S
c
h
w
e
i
ß
-
u
n
d
S
c
h
n
e
i
d
t
e
c
h
n
i
k
L1
Y
2
5
4
3
2
1
1
2
3
4
5
6
7
8
2
3
4
1
M
1
M3
5
µ
F
M
1
M2
1
µ
F
X1
X12
S3
T2
4
0
0
V
2
3
0
V
0
V
4
2
V
0
V
F1
T
2
A
+
G
e
r
l
a
c
h
1
7
.
0
2
.
1
2
H2 H1
V
1
T
2
T
1
Y
2
Y
1
A
5
A
6
A
7
Q
1
L
1
M
1
M
2
M
3
S
1
S
3
K
1
Q
1
Q
1
A
2
A
3
A
1
C
1
,
C
2
H
1
,
H
2
N
r
.
:
c
o
n
M
I
G
.
0
0
1
F
1
C2
Ferrit
PE
2
3
4
1
6
7
5
O
p
t
i
o
n
P
u
s
h
-
p
u
l
l
~
+
~
-
+
O
P
T
I
O
N
P
u
s
h
-
p
u
l
l
M
7
6
P
E
-
+
-
+
T
o
r
c
h
M
o
t
o
r
+
S
1
M
F
e
r
r
i
t
4
6
2
I
S
P
O
P
T
I
O
N
:
E
n
c
o
d
e
r
+
-
+
S
t
r
o
m
l
a
u
f
p
l
a
n
Werkstück
b
l
a
u
s
c
h
w
.
b
r
a
u
n
b
l
a
u
b
r
a
u
n
s
c
h
w
.
M
a
g
n
e
t
v
e
n
t
i
l
S
t
e
u
e
r
t
r
a
f
o
S
c
h
w
e
i
ß
t
r
a
f
o
i
m
K
o
f
f
e
r
i
m
G
e
r
ä
t
M
a
g
n
e
t
v
e
n
t
i
l
G
l
e
i
c
h
r
i
c
h
t
e
r
P
l
a
t
i
n
e
M
C
-
C
H
O
(
D
r
o
s
s
e
l
r
e
g
e
l
u
n
g
)
P
l
a
t
i
n
e
I
-
S
e
n
s
e
(
S
t
r
o
m
m
e
s
s
u
n
g
)
D
u
r
c
h
f
l
u
ß
m
e
s
s
e
r
K
ü
h
l
w
a
s
s
e
r
H
a
u
p
t
s
c
h
a
l
t
e
r
D
r
o
s
s
e
l
D
r
a
h
t
v
o
r
s
c
h
u
b
m
o
t
o
r
V
e
n
t
i
l
a
t
o
r
W
a
s
s
e
r
p
u
m
p
e
B
r
e
n
n
e
r
t
a
s
t
e
r
T
h
e
r
m
o
s
c
h
a
l
t
e
r
G
l
e
i
c
h
r
i
c
h
t
e
r
9
0
°
C
T
h
e
r
m
o
s
c
h
a
l
t
e
r
T
r
a
f
o
1
7
0
°
C
Brenner
D
r
a
h
t
v
o
r
s
c
h
u
b
k
o
f
f
e
D
V
K
S
t
r
o
m
f
l
i
e
ß
t
S
t
r
o
m
f
l
i
e
ß
t
T
-
d
o
w
n
T
-
u
p
T
-
B
T
+
2
4
V
+
1
0
V
U
-
L
e
i
t
s
p
g
.
1
U
-
L
e
i
t
s
p
g
.
2
G
N
D
I
-
I
s
t
U
-
I
s
t
F
e
r
n
b
e
d
i
e
n
u
n
g
s
-
O
p
t
i
o
n
e
n
Z
w
i
s
c
h
e
n
-
s
c
h
l
a
u
c
h
-
p
a
k
e
t
N
e
t
z
s
c
h
ü
t
z
S
t
u
f
e
n
s
c
h
a
l
t
e
r
g
r
o
b
S
t
u
f
e
n
s
c
h
a
l
t
e
r
f
e
i
n
P
l
a
t
i
n
e
M
C
-
D
V
V
P
l
a
t
i
n
e
M
C
-
A
R
E
M
S
t
e
u
e
r
b
o
x
M
C
3
,
4
o
d
e
r
5
K
o
n
t
r
o
l
l
l
e
u
c
h
t
e
N
e
t
z
K
o
n
d
e
n
s
a
t
o
r
0
,
1
µ
F
/
6
3
0
V
S
t
r
o
m
q
u
e
l
l
e
c
o
n
M
I
G
P
r
i
m
ä
r
s
i
c
h
e
r
u
n
g
B
r
e
n
n
e
r
Flachband
F
l
a
c
h
b
a
n
d
T
u
c
h
e
l
d
o
s
e
7
-
p
o
l
i
g
(
O
p
t
i
o
n
P
u
s
h
-
p
u
l
l
)
O
p
t
i
o
n
D
i
s
p
l
a
y
B
r
e
n
n
e
r
c
o
n
M
I
G
5
4
5
13
12
14,16
23
22
21
25
26
27
28
24
Y
10
20
22,24
33
32
31
35
36
37
38
34
Z
18
4
6,8
13
12
11
15
16
17
18
14
X
2
21 513
12
14,16
23
22
21
25
26
27
28
24
Y
10
20
22,24
33
32
31
35
36
37
38
34
Z
18
4
6,8
13
12
11
15
16
17
18
14
X
2
21 513
12
14,16
23
22
21
25
26
27
28
24
Y
10
20
22,24
33
32
31
35
36
37
38
34
Z
18
4
6,8
13
12
11
15
16
17
18
14
X
2
21 5
T1
Q3
Q2
T1
Q3
Q2
T1
Q3
Q2
T1
13
12
14,16
23
22
21
25
26
27
28
24
Y
10
20
22,24
33
32
31
35
36
37
38
34
Z
18
4
6,8
13
12
11
15
16
17
18
14
X
2
Q3
Q2
21 5
T1
13
12
14,16
23
22
21
25
26
27
28
24
Y
10
20
22,24
33
32
31
35
36
37
38
34
Z
18
4
6,8
13
12
11
15
16
17
18
14
X
2
Q3
Q2
21 5
T1
13
12
14,16
23
22
21
25
26
27
28
24
Y
10
20
22,24
33
32
31
35
36
37
38
34
Z
18
4
6,8
13
12
11
15
16
17
18
14
X
2
Q3
Q2
21 5
M
1
M2-1

Related product manuals