EasyManua.ls Logo

Jackle ProTIG 220 DC - Schaltpläne; Circuit Diagrams

Jackle ProTIG 220 DC
Print Icon
To Next Page IconTo Next Page
To Next Page IconTo Next Page
To Previous Page IconTo Previous Page
To Previous Page IconTo Previous Page
Loading...
ProTIG 220/300 AC/DC
Operating manual Page 50
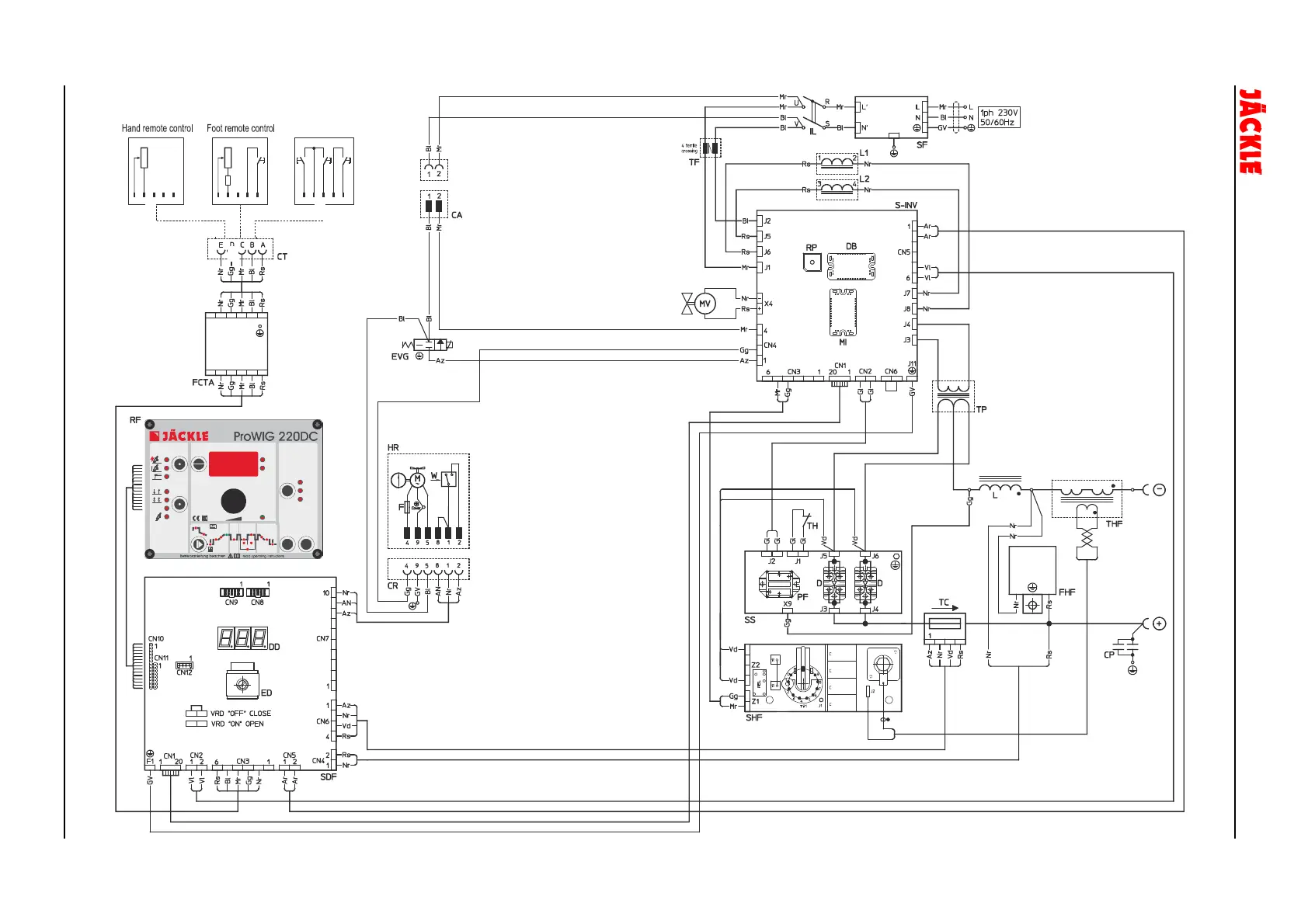
36. Schaltpläne / circuit diagrams
ProTIG 220 Schaltplan DC / circuit diagram DC
AUTO
MAN
DC
DC
f
lb
lp
1
I
2
HOTSTART
ARCFORC E
A
V
T
b
T
p
VRD
SPEED
I
2
DSUS
EISI
t
PULS
I
SAVE
JOB
A
V
PULS
ABCDE ABCDE
DW UP BT
Handfernsteller
Poti
Up/Down Brenner
Up/Down Torch
10k
ABCDE
BT
Fußpedal
Poti
10k
560R

Related product manuals