EasyManua.ls Logo

Jackle ProTIG 220 DC - Page 54

Jackle ProTIG 220 DC
Print Icon
To Next Page IconTo Next Page
To Next Page IconTo Next Page
To Previous Page IconTo Previous Page
To Previous Page IconTo Previous Page
Loading...
ProTIG 220/300 AC/DC
Operating manual Page 52
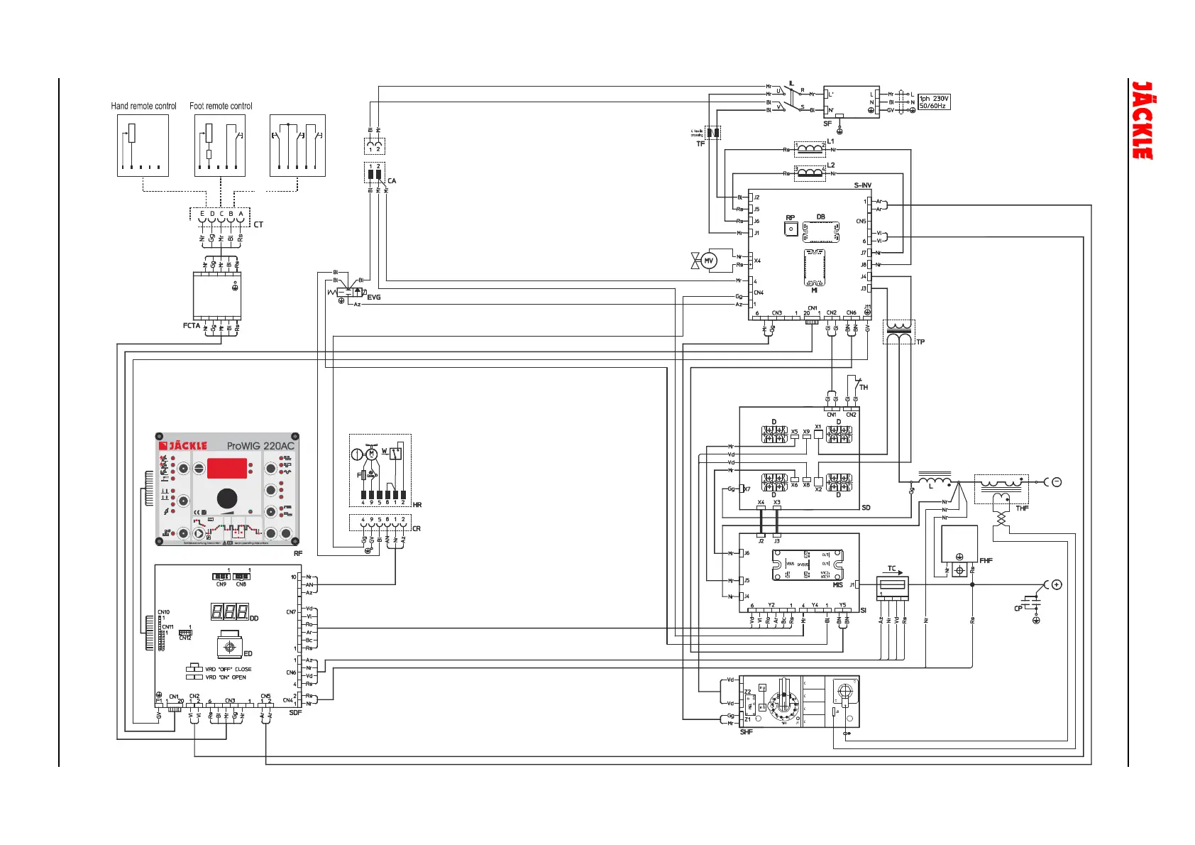
ProTIG 220 Schaltplan AC / circuit diagram AC
AUTO
MAN
AC
DC
DC
f
lb
lp
1
I
2
HOTSTART
ARCFORCE
A
V
T
b
T
p
VRD
SPEED
I
2
DSUS
EISI
t
Balance
PULS
Frequenz
I
SAVE
JOB
AC
A
V
PULS
ABCDE ABCDE
DW UP BT
H
andfernsteller
Poti
Up/Down Brenner
Up/Down Torch
10k
ABCDE
BT
Fußpedal
Poti
10k
560R

Related product manuals