EasyManua.ls Logo

Jackson AVENGER HT-E - Door Assembly Diagram

Jackson AVENGER HT-E
61 pages
Print Icon
To Next Page IconTo Next Page
To Next Page IconTo Next Page
To Previous Page IconTo Previous Page
To Previous Page IconTo Previous Page
Loading...
40
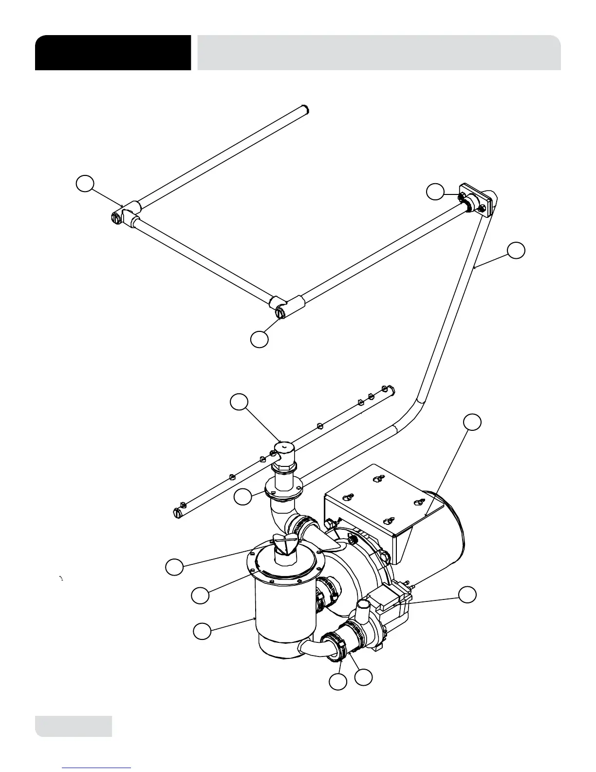
WASH & DRAIN MOTOR ASSEMBLY
PARTS
10
11
12
13
1
2
3
4
5
9
8
6
7

Other manuals for Jackson AVENGER HT-E

Related product manuals