EasyManua.ls Logo

Jackson DELTA 115 - Delta 1200 Schematics

Jackson DELTA 115
56 pages
Print Icon
To Next Page IconTo Next Page
To Next Page IconTo Next Page
To Previous Page IconTo Previous Page
To Previous Page IconTo Previous Page
Loading...
47
07610-003-62-15-Q
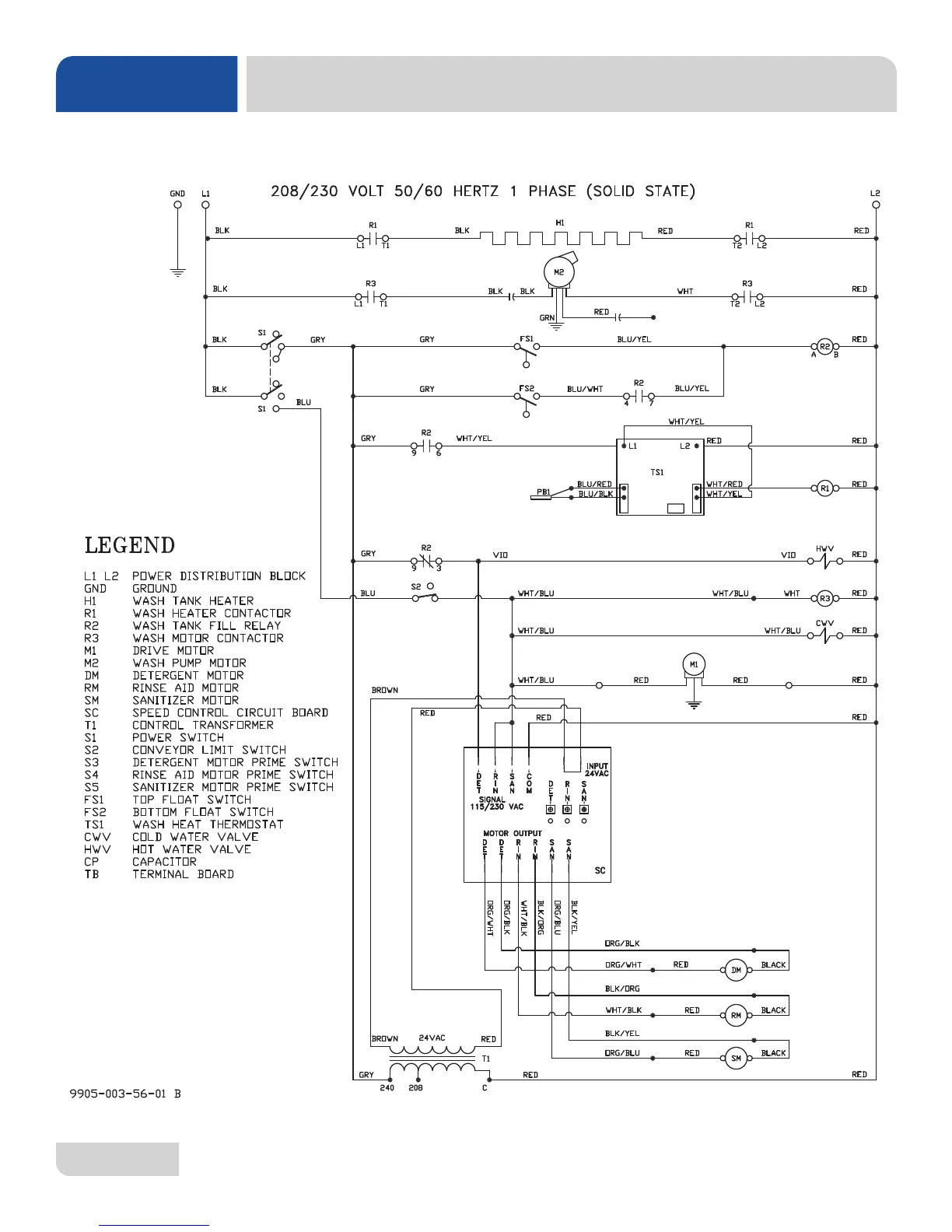
SCHEMATICS
DELTA 1200

Other manuals for Jackson DELTA 115

Related product manuals