EasyManua.ls Logo

Jandy CJ200 - Filter Installation

Jandy CJ200
16 pages
Print Icon
To Next Page IconTo Next Page
To Next Page IconTo Next Page
To Previous Page IconTo Previous Page
To Previous Page IconTo Previous Page
Loading...
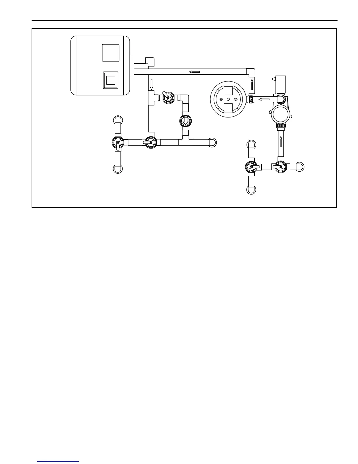
Page 7Cartridge Filters - CJ Series Filter
Figure 4. Basic Pool/Spa Combination Plumbing
Laars Heater
Waterfall
Pool Return
Spa Make Up
Spa Return
From Pool Skimmer
From Pool
Drain
Spa Suction
Jandy Pump
Jandy
Check
Valve
Outlet Port
Inlet Port
Jandy Filter
7. Keep piping tight and free of leaks. Pump suction
line leaks may cause air to be entrapped in filter
tank or loss of prime at the pump. Pump discharge
line leaks may show up as equipment pad leaks or
air being discharged through the return lines.
8. Support the inlet/outlet pipes independently to
prevent any undue strains.
9. Place the union nut over the pipe and connect
the pipes to the union tailpieces using PVC
glue. Do not use teflon tape or pipe dope on any
union threads. Put the o-ring in the tailpiece and
assemble the unions to the filter tank.
NOTE If required by local code to bolt the filter to the
equipment pad, order part # R0359100 (Anchor
Brackets).
3.3 Filter Installation
1. This filter operates under pressure. When the
locking ring is properly seated and the filter is
operated without air in the water system, this filter
will operate in a safe manner.
2. If doubt exists as to the pressure which the system
will be subjected to, install an ASME approved
automatic Pressure Relief Valve or Pressure
Regulator in the circulation system rated for the
lowest working pressure of any of the components
in the system.
3. Place the filter on the concrete pad, lined up with
the inlet and outlet pipes.
4. To reduce pressure losses, 2" (minimum) piping
is recommended for plumbing the system.
Never exceed the manufacturer's maximum
recommended filter flow rates.
5. For best efficiency use the fewest possible number
of fittings. This will prevent a restriction of the
water flow.
6. Make all plumbing connections in accordance with
local plumbing and building codes. Filter unions
are provided with an o-ring seal. Use silicone
based lubricants on the o-rings to avoid damage.
Do not use pipe joint compound, glue or solvent
on union threads.

Related product manuals