EasyManua.ls Logo

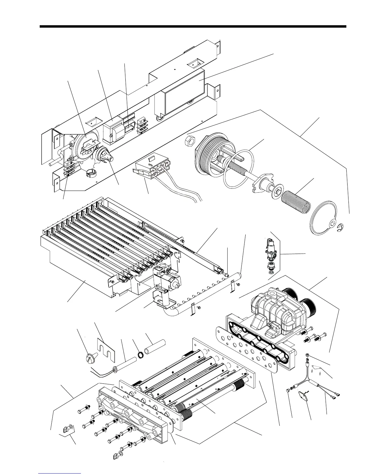
Jandy pool/spa heater - Detail Exploded View

Jandy pool/spa heater
32 pages
Print Icon
To Next Page IconTo Next Page
To Next Page IconTo Next Page
To Previous Page IconTo Previous Page
To Previous Page IconTo Previous Page
Loading...
LX and LT Pool Heaters
Page 29
2
3
4
5
7
8
11
11
12
16
17
15
18
19
14
35
27
29
37
42
40
41
52
53
51
32
3130
34
33
43
43
6
5C-2 Detail View
77

Table of Contents

Related product manuals