EasyManua.ls Logo

Jandy pool/spa heater - Remote Operation (Model LX Only)

Jandy pool/spa heater
32 pages
Print Icon
To Next Page IconTo Next Page
To Next Page IconTo Next Page
To Previous Page IconTo Previous Page
To Previous Page IconTo Previous Page
Loading...
LX and LT Pool Heaters
Page 7
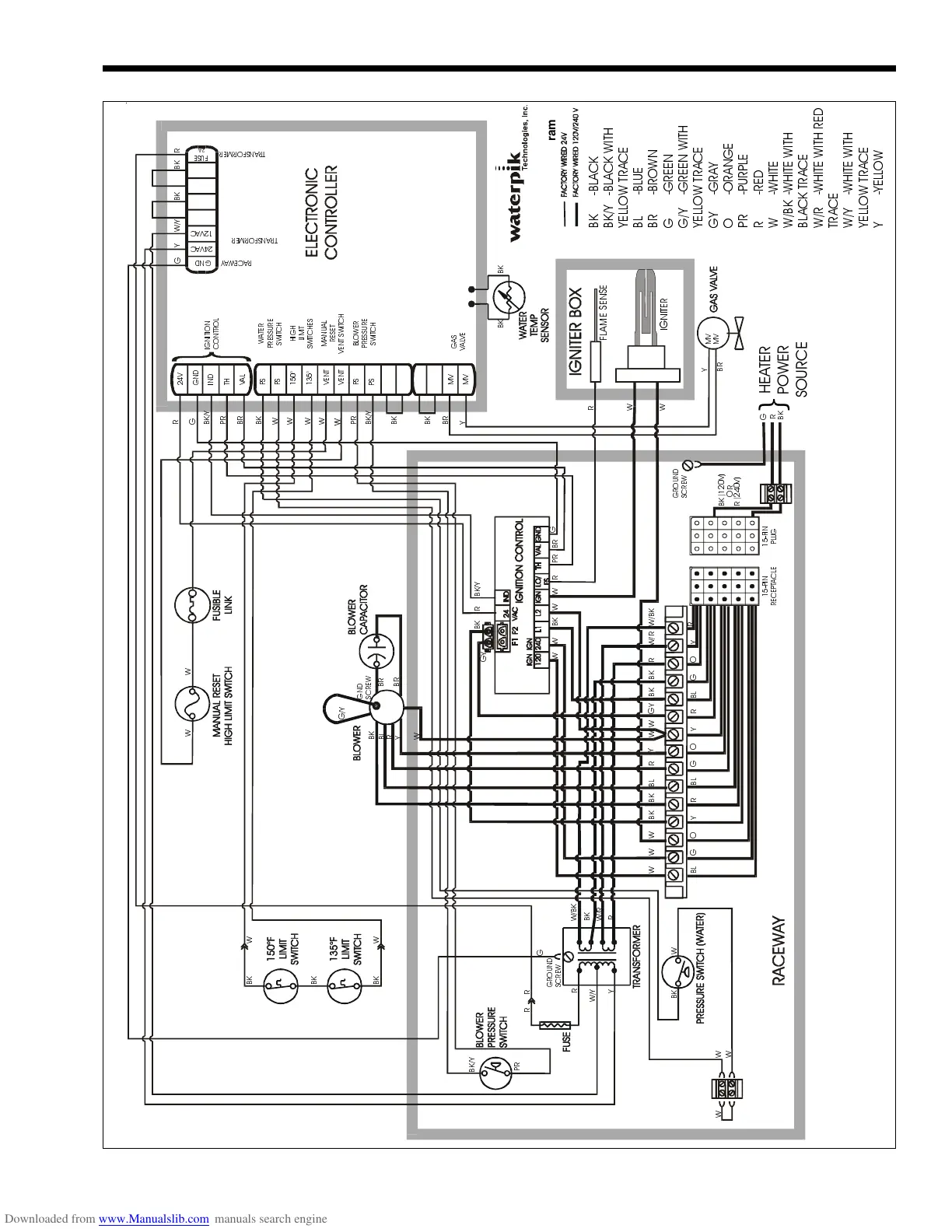
Figure 8. LLD Connection/Schematic Wiring Diagram.
CAUTION: Do not connect the power of the heater to the "load" or output side of a filter pump relay or time clock.
The fan on this heater must have power to run after the filter pump has been shut off.
TEMP
SENSOR
J4-1
J4-2
)
/
$
0
(
6
(
1
6
(
,
*
1
,
7
(
5
`
+($7(5
32:(5
6285&(
5
%
.
%
.
:
<
<
*
5*%
.
<
3
5
%
5
%
.
:: ::
3
5
%
.
<
%
.
%
.
%
5
<
*
<
%
.
5
%
.
<
:
%
.
:
:
:
3
5
:
*
%
/
:
:
:
*
<
<5%
.
%
/
%
.
%
.
%
.
::
*
%
.
<
3
5
5
5
5
<
:
<
:
%
.
%
.
:
5
5
%
.
:
:
::
*
5
%
.
<%
5
::5
*
5
2
8
1
'
6
&
5
(
:
*
5
2
8
1
'
6
&
5
(
:
*
1
'
6
&
5
(
:
9
*
1
'
,
1
'
7
+
9
$
/
3
6
3
6
9
(
1
7
9
(
1
7
3
6
3
6
0
9
0
9
0
9
0
9
:
$
7
(
5
3
5
(
6
6
8
5
(
6
:
,
7
&
+
`
+
,
*
+
/
,
0
,
7
6
:
,
7
&
+
(
6
`
0
$
1
8
$
/
5
(
6
(
7
9
(
1
7
6
:
,
7
&
+
`
%
/
2
:
(
5
3
5
(
6
6
8
5
(
6
:
,
7
&
+
`
*
$
6
9
$
/
9
(
`
,
*
1
,
7
,
2
1
&
2
1
7
5
2
/
`
*1'
9$&
9$&
)86(
$
5$&(:$<
75$16)250(5
75$16)250(5
%
.
%
.
%
.
:
<
5
:
%
.
:
5
5
%
.
%
.
*
<
%
/
<
*
2
5
%
/
<
*
2
5
%
/
<
*
2
5
:
:
%
.
:
%
5
5
3
,
1
3
/
8
*
3
,
1
5
(
&
(
3
7
$
&
/
(
%
.
9
2
5
5
9
Wiring Diagram
%
.
%
/
$
&
.
%
.
<
%
/
$
&
.
:
,
7
+
<
(
/
/
2
:
7
5
$
&
(
%
/
%
/
8
(
%
5
%
5
2
:
1
*
*
5
(
(
1
*
<
*
5
(
(
1
:
,
7
+
<
(
/
/
2
:
7
5
$
&
(
*
<
*
5
$
<
2
2
5
$
1
*
(
3
5
3
8
5
3
/
(
5
5
(
'
:
:
+
,
7
(
:
%
.
:
+
,
7
(
:
,
7
+
%
/
$
&
.
7
5
$
&
(
:
5
:
+
,
7
(
:
,
7
+
5
(
'
7
5
$
&
(
:
<
:
+
,
7
(
:
,
7
+
<
(
/
/
2
:
7
5
$
&
(
<
<
(
/
/
2
:
%
5
%
5

Table of Contents

Related product manuals