EasyManua.ls Logo

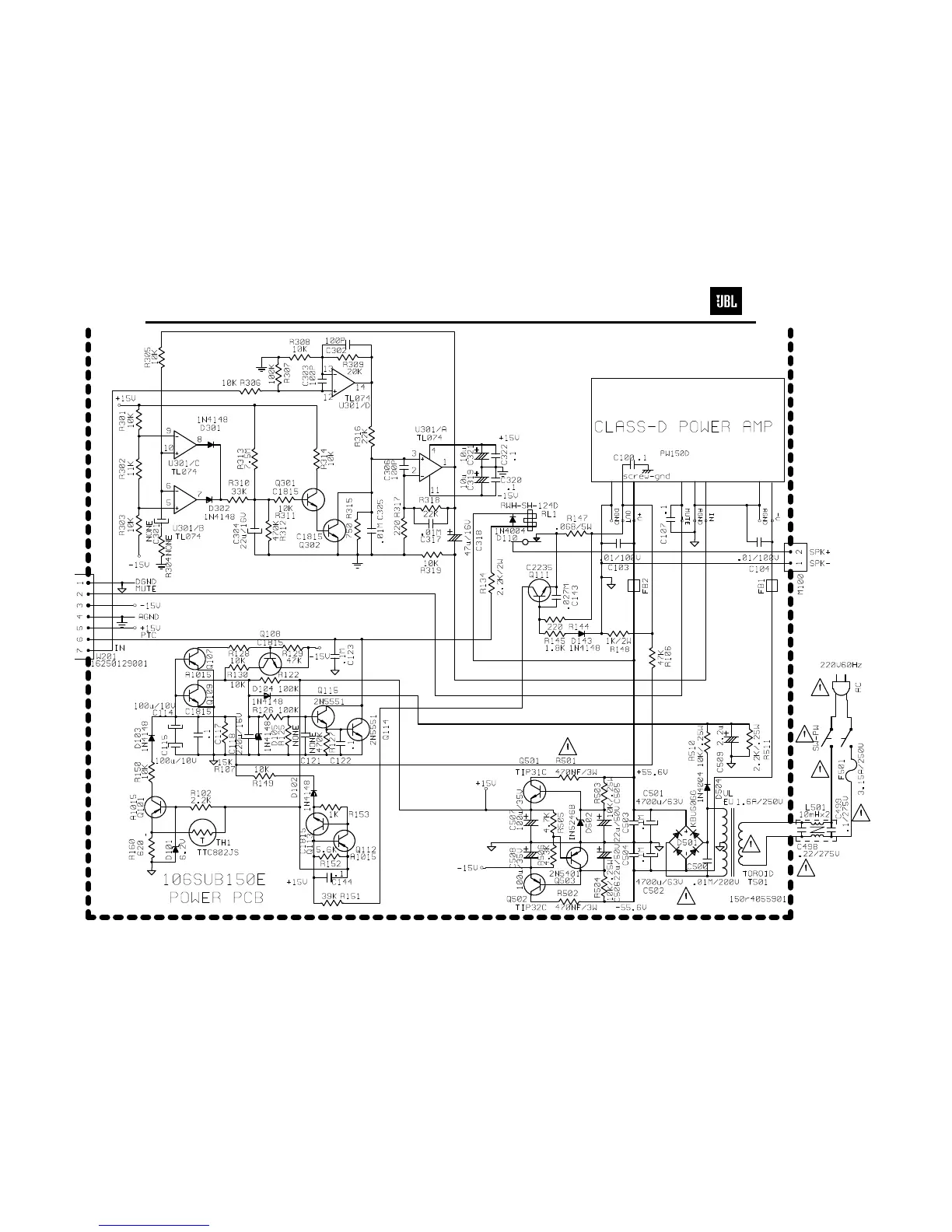
JBL SUB300 - 230 V SCHEMATIC PAGE 2

JBL SUB300
26 pages
Print Icon
To Next Page IconTo Next Page
To Next Page IconTo Next Page
To Previous Page IconTo Previous Page
To Previous Page IconTo Previous Page
Loading...
24

Related product manuals