EasyManua.ls Logo

jcb JS70 - Page 133

jcb JS70
385 pages
Print Icon
To Next Page IconTo Next Page
To Next Page IconTo Next Page
To Previous Page IconTo Previous Page
To Previous Page IconTo Previous Page
Loading...
3 - 36
Section E Hydraulics
9803/6020
Section E
3 - 36
Issue 1
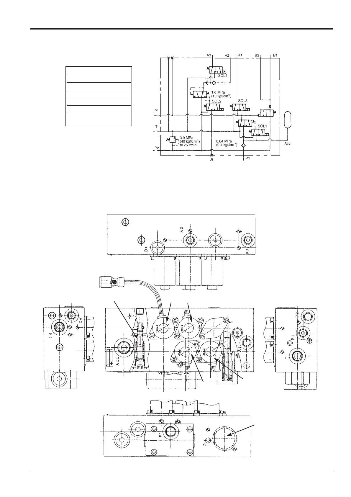
Pilot Pressure and Return
Multiple Valve
291050
A
B
E
D
D
C
F
A
G
B
E
C
G
A
Servo Isolator Solenoid
B
Swing Brake Solenoid
C
2 Speed Tracking Solenoid
D
Swing Lock Solenoid
E
Reducing Valve
F
Quick Heat restrictor
G
Pilot Relief Valve

Table of Contents

Other manuals for jcb JS70

Related product manuals