EasyManua.ls Logo

Johnson Controls YORK YLUA0078Z Series - Process and Instrumentation Diagram; FIGURE 6 - Process and Instrumentation Diagram

Johnson Controls YORK YLUA0078Z Series
178 pages
Print Icon
To Next Page IconTo Next Page
To Next Page IconTo Next Page
To Previous Page IconTo Previous Page
To Previous Page IconTo Previous Page
Loading...
JOHNSON CONTROLS
28
FORM 150.73-NM1
ISSUE DATE: 07/03/2024
SECTION 2: PRODUCT DESCRIPTION
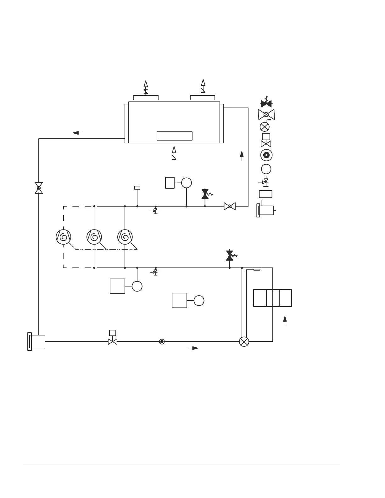
Process and instrumentation diagram
Low pressure vapor enters the
compressor where pressure and superheat are
increased. The high pressure vapor is fed to the air
cooled condenser coil and fans where the heat is
removed. The fully condensed and subcooled liquid
passes through the expansion valve where pressure is
reduced and further cooling takes place before
returning to the cooler.
PS
ZCPR-1
ZCPR-2
ZCPR-3
DV
HPL
HPC
P
DV
LPC
P
Condenser
Fans Fans
-YLLSV
S
See P.R.V .
Options
Compressors
Control Functions:
DV - Displa y Value
CHT - Chilled Liquid Temperature
HPC - High Pressure Cutout
LPC - Low Pressure Cutout
HPL - High Pressure Load Limiting
LTC - Low Temperature Cutout
Components:
Pressure Relief Valve
Ser vice (Ball) Valve
Expansion Valve
Solenoid Valve
Sight Glass
Sensor Pressure
or Temperature
Ser vice (Stop) Access Valv
e
Pressure Switch
Filter Drier
(Remo vable Core)
S
PS
T
Ambient Air Sensor
DV
HTC
LT C
585 PSIG
650 PSIG
450 PSIG
Low pressure liquid refrigerant enters the DX coil and
is evaporated and superheated by the heat energy
absorbed from the air passing through the DX coil.
FIGURE 6 - PROCESS AND INSTRUMENTATION DIAGRAM
LD14261A

Table of Contents

Related product manuals