EasyManua.ls Logo

Judo PROFI-PLUS - Spare Parts

Judo PROFI-PLUS
28 pages
Print Icon
To Next Page IconTo Next Page
To Next Page IconTo Next Page
To Previous Page IconTo Previous Page
To Previous Page IconTo Previous Page
Loading...
24 JUDO PROFI-PLUS
Spare Parts
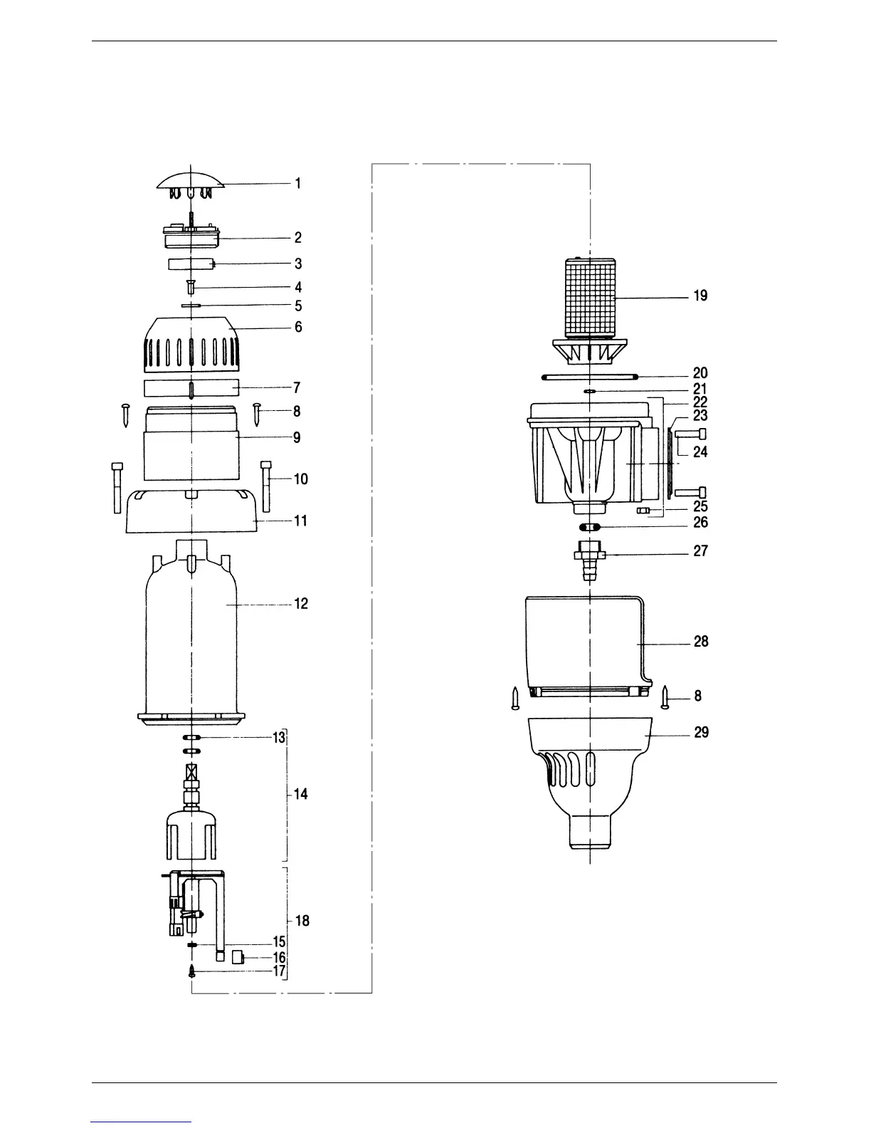
10. Spare Parts
10.1 JPF
+
¾"–"

Related product manuals