EasyManua.ls Logo

JVC D-M3 - Sie Scecsvsccascecsevesnsstecseecvevevenveieuscseeses

JVC D-M3
28 pages
Print Icon
To Next Page IconTo Next Page
To Next Page IconTo Next Page
To Previous Page IconTo Previous Page
To Previous Page IconTo Previous Page
Loading...
D-M3
A/B/C/E/J/U
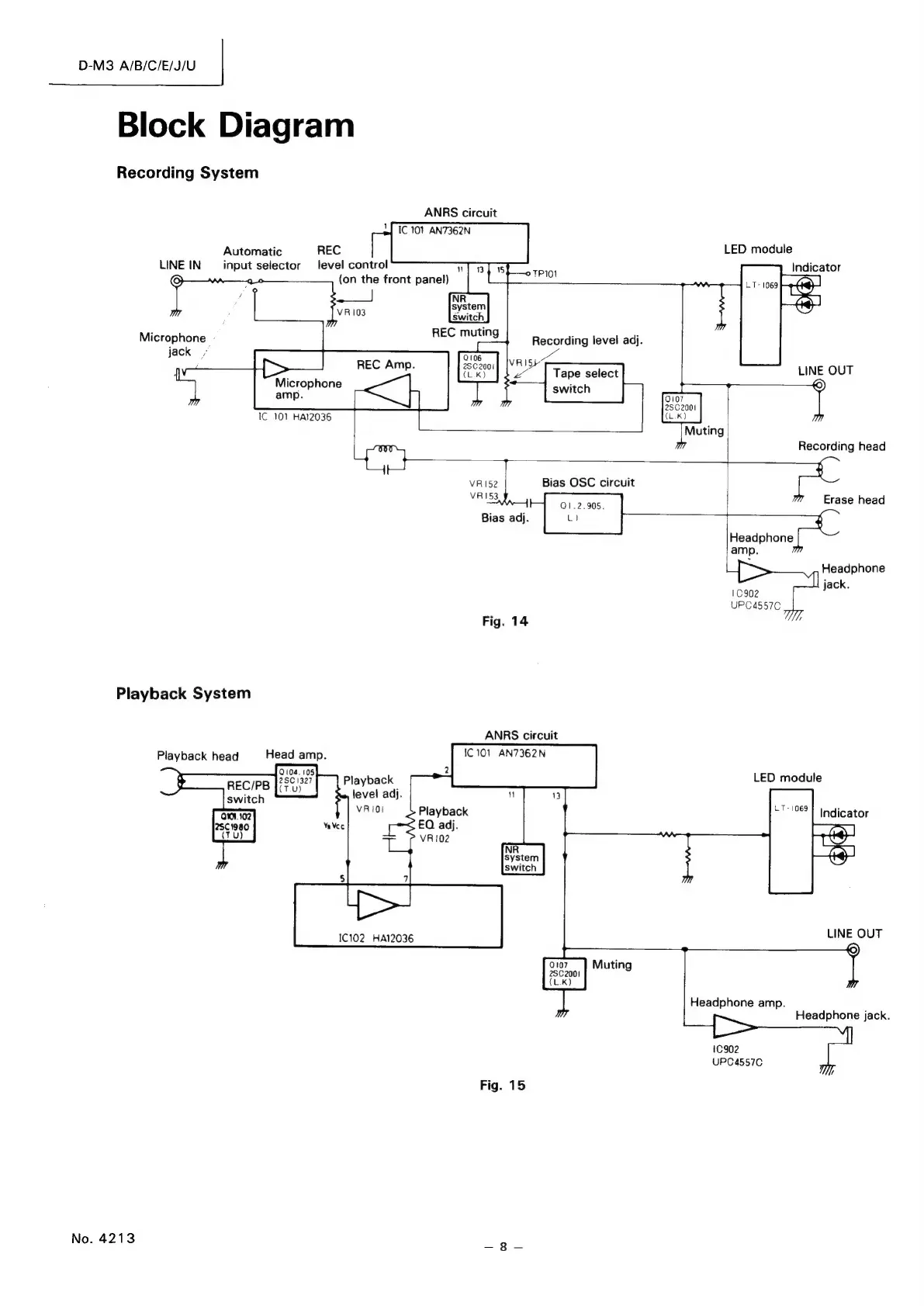
Block
Diagram
Recording
System
ANRS
circuit
REC
level
control
7
(on
the
front
panel)
ate
VR103
Automatic
LINE
IN
input
selector
Microphone
-
jack
-
Microphone
amp.
IC
101
HAI2036
IC
101
AN7362N
LED
module
Indicator
Recording
level
adj.
-1069|-»-Ke)
LT-
1069}
--€4@)
VA
rea
a
Tape
select
switch
0107
28C2001
.
a
(L.K)
Muting
Recording
head
Playback
System
Head
amp.
Q104,
105
2SC1327
(T.U)
Playback
head
Playback
level
adj.
VRiOi
IC102_
HAI2036
No.
4213
{C101
AN7362N
VR
152
Bias
OSC
circuit
VRI53
re.
head
Bias
adj.
01.2.905.
lt
Fig.
14
ANRS
circuit
NR
system
switch
eae
amp.
Headphone
jack.
10902
UPC4557C0
LED
module
LT-1069
Indicator
LINE
OUT
Fig.
15
Headphone
amp.
Headphone
jack.
1C902
UPC4557C

Related product manuals