EasyManua.ls Logo

JVC EXAD KW-AVX900

JVC EXAD KW-AVX900
82 pages
To Previous Page IconTo Previous Page
To Previous Page IconTo Previous Page
Loading...
4
KS-U57
KS-U58
KS-PD500
KS-PD100
To disconnect the connector
Hold the connector top tightly (1), then pull it out (2).
C
JVC CD changer
External component with RCA pin jacks
External component with stereo-mini jack
or
or
or
JVC Bluetooth adapter
*
5
You can connect external components in series as shown in the diagram below.
• All the components, adapters or signal cords need to be purchased separately.
CAUTION:
Before connecting the external components, make sure that the unit is turned off.
To use JVC CD changer, Apple iPod or JVC D. player, set “External Input” to “Changer/iPod/D. Player” (see page 59 of the INSTRUCTIONS).
To use other external components via KS-U57 or KS-U58, set “External Input” to “External” (see page 59 of the INSTRUCTIONS).
• iPod is a trademark of Apple Inc., registered in the U.S. and other countries.
USB cable (approx. 1.2 m)
USB device
You cannot connect a computer to the USB (
)
terminal of the unit.
CD changer jack
USB devices
Connecting external components
iPod
JVC D. Player XA-HD500
*
5
Audio cord (not supplied) is required.
or
L
R
L
L
INPUT
INPUT
INPUT
R
L
INPUT
R
L
R
L
R
R
*
4
*
4
*
4
*
4
LINE OUT (FRONT)
LINE OUT (REAR)
SUBWOOFER
CENTER OUT
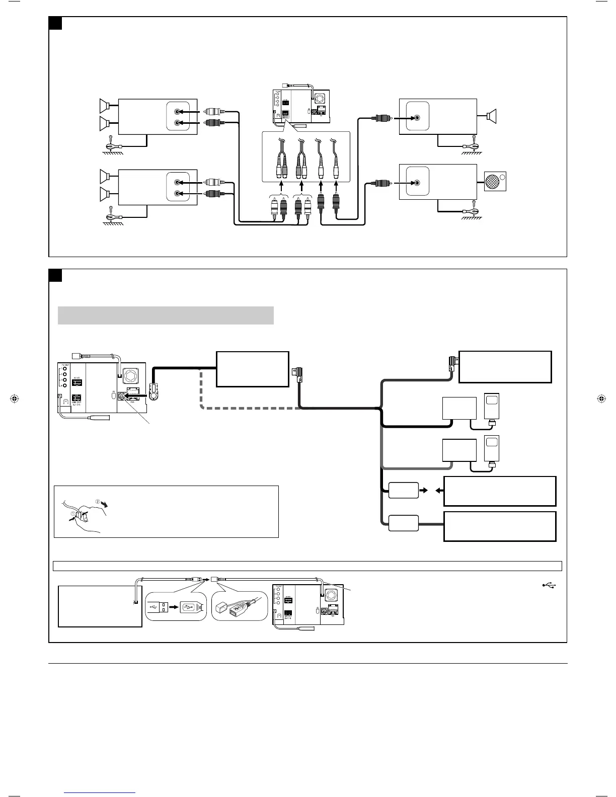
You can connect amplifiers to upgrade surround system in the car compartment.
Connect the amplifiers to 5.1-ch analog discrete output plugs to enjoy multi-channel source.
After you have connected the center speaker, make sure to activate the center speaker; otherwise, no sound comes out of the connected center speaker, see page 57 of the INSTRUCTIONS.
You can supply the power to the amplifiers by connecting the remote leads (blue with white stripe) of this unit and amplifiers. (To connect more than one amplifier using the remote leads, Y-connectors need to
be separately purchased.)
Disconnect the speakers from the unit, and connect them to the amplifier. Leave the speaker leads of the unit unused.
*
4
Firmly attach the ground wire to the metallic body or to the chassis of the car—to the place uncoated with paint (if coated with paint, remove the paint before attaching the wire). Failure to do so may cause
damage to the unit.
Subwoofer
Rear speakers
Center speaker
JVC Amplifier
Front speakers
JVC Amplifier
JVC Amplifier
JVC Amplifier
Connecting the external amplifiers
B
TROUBLESHOOTING
The fuse blows.
* Are the red and black leads connected correctly?
Power cannot be turned on.
* Is the yellow lead connected?
No sound from the speakers.
* Is the speaker output lead short-circuited?
Sound is distorted.
* Is the speaker output lead grounded?
* Are the “–” terminals of L and R speakers grounded in common?
Noise interfere with sounds.
* Is the rear ground terminal connected to the car’s chassis using shorter and thicker cords?
Unit becomes hot.
* Is the speaker output lead grounded?
* Are the “–” terminals of L and R speakers grounded in common?
This unit does not work at all.
* Have you reset your unit?
Instal_KW-AVX900[A]_1.indd 4Instal_KW-AVX900[A]_1.indd 4 2007.3.14 5:12:53 PM2007.3.14 5:12:53 PM

Table of Contents

Related product manuals