EasyManua.ls Logo

JVC HX-Z1 - Timers; Using the Daily Timer

JVC HX-Z1
54 pages
Print Icon
To Next Page IconTo Next Page
To Next Page IconTo Next Page
To Previous Page IconTo Previous Page
To Previous Page IconTo Previous Page
Loading...
HX-Z1
25
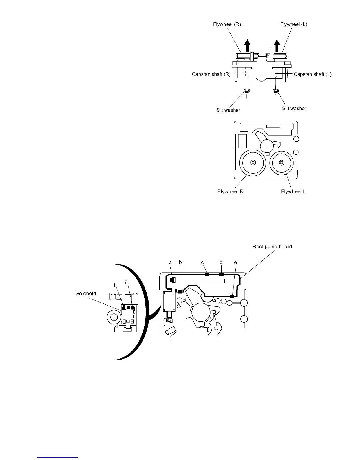
3.2.5 Removing the flywheel (See Fig. 8, 9)
(1) Remove the head amplifier & mechanism control P.C.
board.
(2) Remove the main motor assembly.
(3) After turning over the cassette mechanism, remove the
two slit washers and fixing the capstan shafts R and L, and
pull out the flywheel (R) and (L) respectively from behind
the cassette mechanism.
Fig.8
Fig.9
3.2.6 Removing the reel pulse P.C. board and solenoid
(See Fig. 10)
(1) Remove the five pawls a to e reattaining the reel pulse
board.
(2) From the surface of the reel pulse board parts, remove the
two pawls f and g retaining the solenoid.
Fig.10

Table of Contents

Other manuals for JVC HX-Z1

Related product manuals