EasyManua.ls Logo

JVC HX-Z1 - GP1 UM271 XK (IC951): Receiver for Remote; STK402-030 (IC602): Power Amp

JVC HX-Z1
54 pages
Print Icon
To Next Page IconTo Next Page
To Next Page IconTo Next Page
To Previous Page IconTo Previous Page
To Previous Page IconTo Previous Page
Loading...
HX-Z1
41
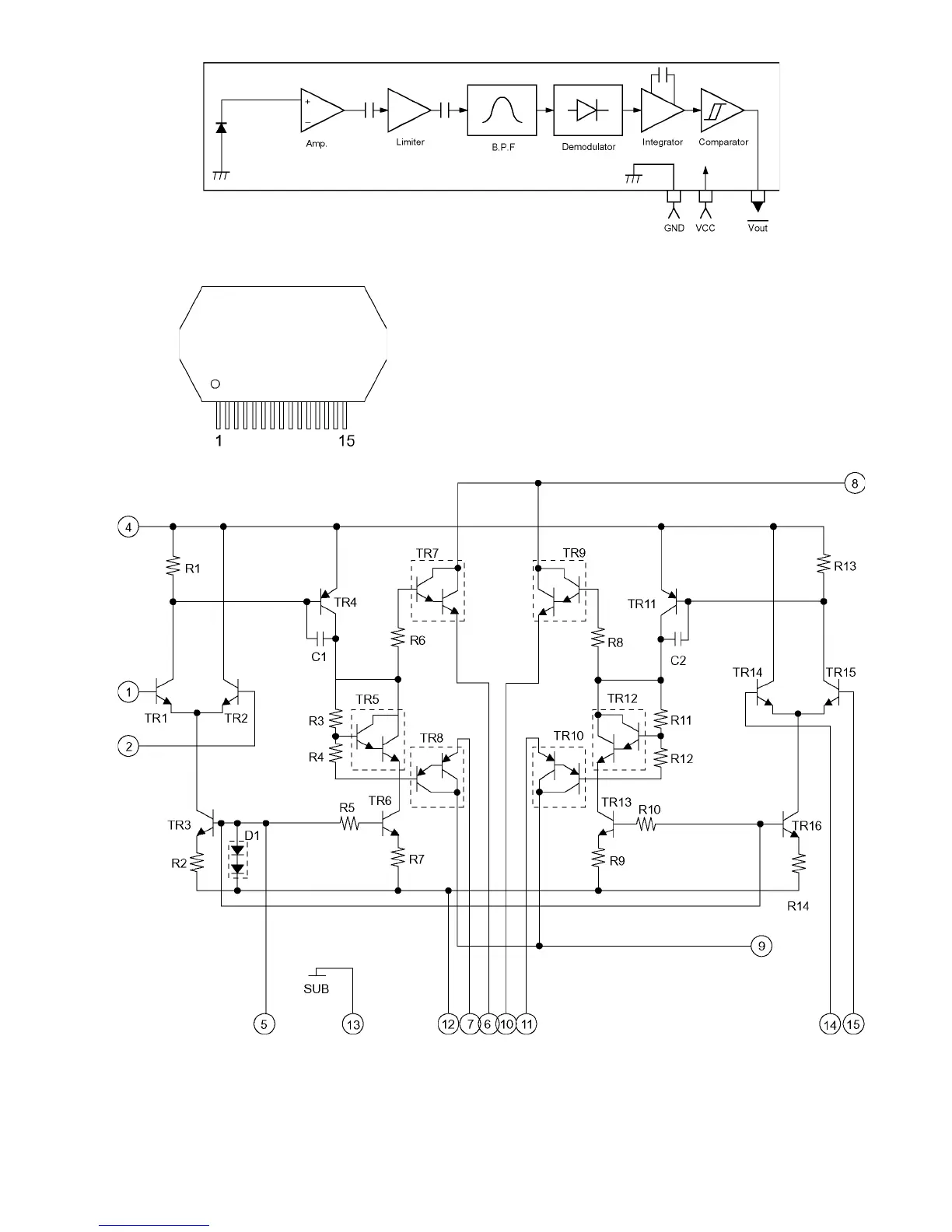
5.7 GP1UM271XK (IC951) : Receiver for remote
5.8 STK402-030 (IC602) : Power amp
Pin layout
Block diagram

Table of Contents

Other manuals for JVC HX-Z1

Related product manuals