EasyManua.ls Logo

JVC HX-Z1 - NJM4580 D (IC501, IC502, IC571): LPF, MIC and H.phone Amp

JVC HX-Z1
54 pages
Print Icon
To Next Page IconTo Next Page
To Next Page IconTo Next Page
To Previous Page IconTo Previous Page
To Previous Page IconTo Previous Page
Loading...
HX-Z1
40
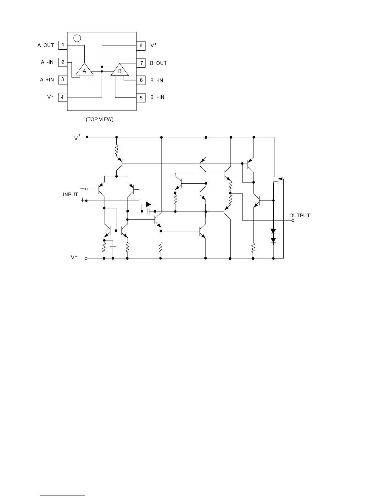
5.6 NJM4580D (IC501, IC502, IC571) : LPF, Mic and H.phone amp.
Pin layout
Block diagram

Table of Contents

Other manuals for JVC HX-Z1

Related product manuals