EasyManua.ls Logo

JVC HX-Z1 - BH3874 AKS2 (IC434): Audio Sound Processor

JVC HX-Z1
54 pages
Print Icon
To Next Page IconTo Next Page
To Next Page IconTo Next Page
To Previous Page IconTo Previous Page
To Previous Page IconTo Previous Page
Loading...
HX-Z1
36
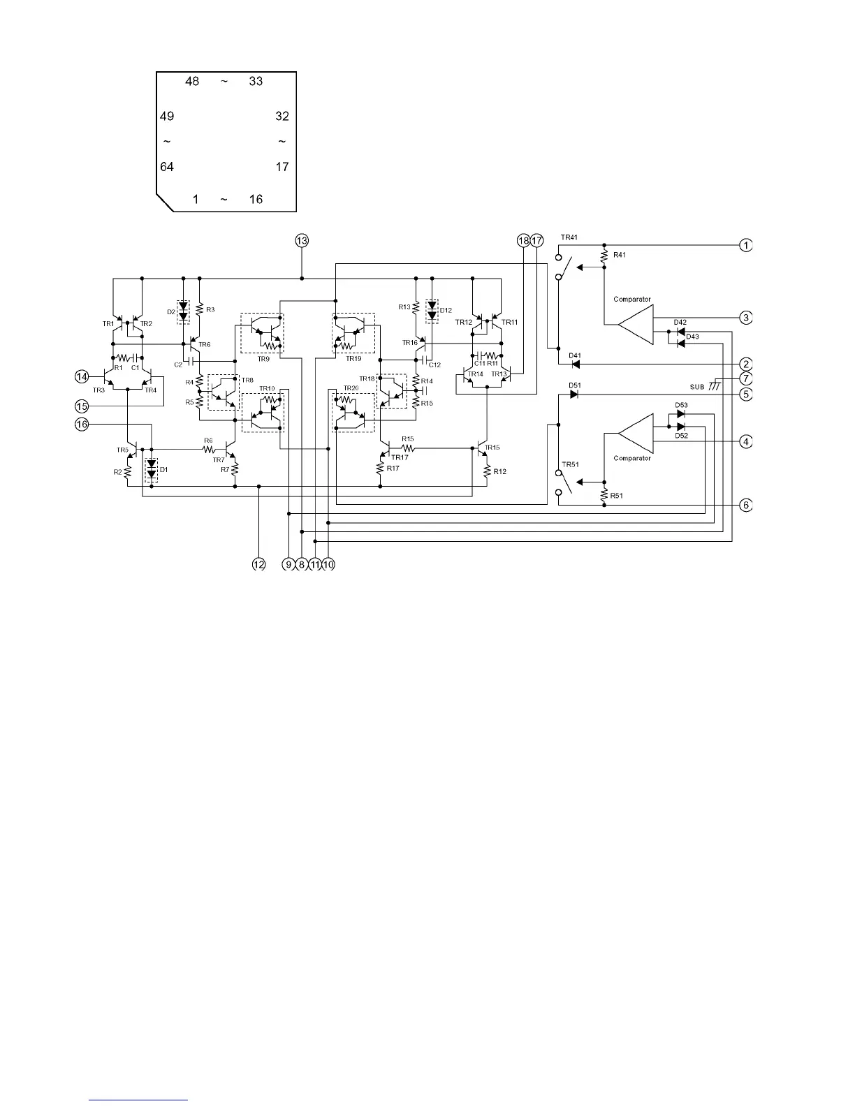
5.3 BH3874AKS2 (IC434) : Audio sound processor
Pin layout
Block diagram

Table of Contents

Other manuals for JVC HX-Z1

Related product manuals