EasyManua.ls Logo

JVC HX-Z1 - BA15218 F-XE (IC602,IC652): Dual Operation Amplifier; BA3126 N (IC31): R;P Switc

JVC HX-Z1
54 pages
Print Icon
To Next Page IconTo Next Page
To Next Page IconTo Next Page
To Previous Page IconTo Previous Page
To Previous Page IconTo Previous Page
Loading...
HX-Z1
47
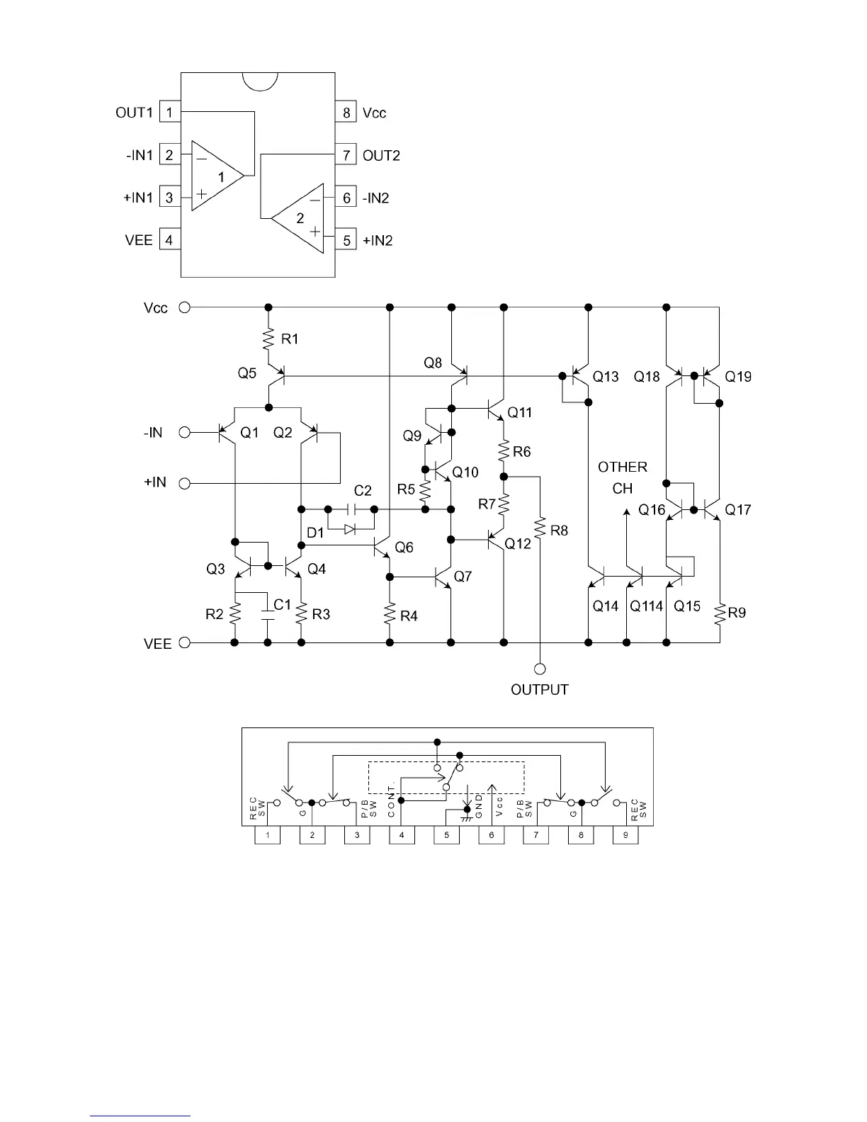
5.14 BA15218F-XE (IC602,IC652) : Dual operation amplifier
Pin layout
Block diagram
5.15 BA3126N (IC31) : R/P switc

Table of Contents

Other manuals for JVC HX-Z1

Related product manuals