EasyManua.ls Logo

JVC UX-T77 - Block Diagram

JVC UX-T77
64 pages
Print Icon
To Next Page IconTo Next Page
To Next Page IconTo Next Page
To Previous Page IconTo Previous Page
To Previous Page IconTo Previous Page
Loading...
2-1
UX-T77
I
HA
BC
DE
F
G
1
2
3
4
5
6
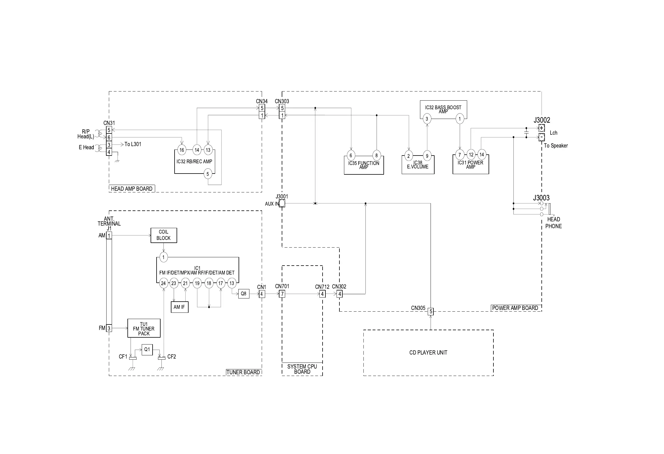
Block diagram
CD PLAYER UNIT
IC38
E.VOLUME
2 9
IC35 FUNCTION
AMP
6 8
CN303
5
1
J3002
IC31 POWER
AMP
12 14
7
IC32 BASS BOOST
AMP
13
-
+
COIL
BLOCK
Q8
TUNER BOARD
IC1
FM IF/DET/MPX/AM RF/IF/DET/AM DET
24 23
1
21 19 18 17 13
ANT.
TERMINAL
J1
AM
1
SYSTEM CPU
BOARD
J3003
CN701
CN712
47 4
CN302
4
CN1
J3001
AUX IN
5
CN305
AM IF
TU1
FM TUNER
PACK
Q1
FM
3
To Speaker
Lch
HEAD
PHONE
CF1 CF2
POWER AMP BOARD
To L301
5
6
3
4
CN31
R/P
Head(L)
E Head
5
1
CN34
IC32 RB/REC AMP
5
1316 14
HEAD AMP BOARD

Table of Contents

Related product manuals