EasyManua.ls Logo

Kampmann Katherm HK - Page 49

Kampmann Katherm HK
84 pages
Print Icon
To Next Page IconTo Next Page
To Next Page IconTo Next Page
To Previous Page IconTo Previous Page
To Previous Page IconTo Previous Page
Loading...
1
2
1
2
1
2
Contact
e.g. heating/cooling
1 2
Room sensor
1
2
1
2
COMNO
2
W13
2*
W16
W14
W15
W12
2* 2*
5
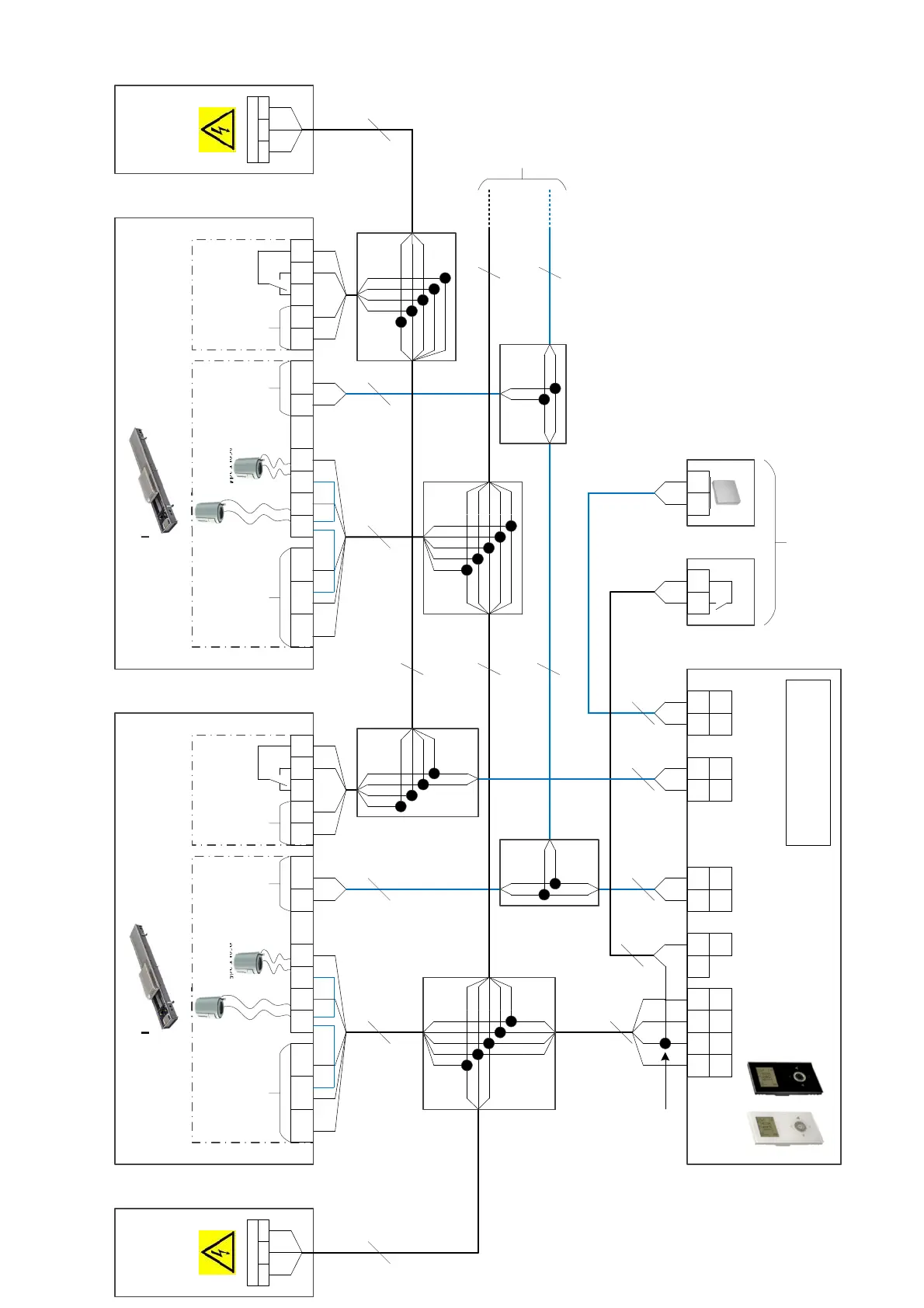
Kat
herm HK , electromechanical 230 V, 2- or 4-pipe, valve actuator(s) 230 V AC Open/Closed, optional condensate
pump, with Climate controller type 14894x
- Options -
For more information, refer to the
instructions for the Climate
Controller
128 4 5 6 11 12 9 10
GND
0-10
V
N A2 A1 E3 E2 E2 E1 E1
7
L
3
1
2
4
3
Back-up
terminal
by others
2
1
gr/ye
1
2
3
1
2
4
Jumper
gr/ye
1
2
3
1
2
4
Jumper
gr/ye
1
2
gr/ye
1
2
gr/ye
1
2
3
4
3
4
1
2
3
4
To further units
(Max. number see
Information)
gr/ye
1
2
gr/ye
1
2
gr/ye
1
2
3
4
3
4
3
4
2*
W11
ZKK
ZKK
N PEL
Mains power 230 V AC
1
2
gr/ye
Nominal voltage
230 V / 50 Hz
Fuse by others.
Refer to “Electrical data”
information table.
VK Y GNDL N PE N VH N UB
Fan speed
Mains power 230 V AC
Refer to Electrical data
information table!
NO COML N NC
Condensate alarm
- Optional -
Condensate pump
Mains
power
supply
230 V AC
Katherm HK
230 V electromechanical
(*00)
Unit no. 1
Fan connection
Actuator
Heating/
cooling
Type 146905
-Optional-
Actuator
Cooling
Type 146905
VK Y GNDL N PE N VH N UB
Fan speed
Mains power 230 V AC
Refer to Electrical data
information table!
NO COML N NC
Condensate alarm
- Optional -
Condensate pump
Mains
power
supply
230 V AC
Katherm HK
230 V electromechanical
(*00)
Unit no. 2
Fan connection
Actuator
Heating/
cooling
Type 146905
-Optional-
Actuator
Cooling
Type 146905
3
4
1
2
3
4
1
2
Jumper
Jumper
gr/ye
1
2
1
2
gr/ye
1
2
3
4
ZKK
W1
3
W3
2*
W7
3
W2
5
W4
5
1
2
1
2
3
4
ZKK
3
4
3
4 3
4
N PEL
Mains power 230 V AC
1
2
gr/ye
Nominal voltage
230 V / 50 Hz
Fuse by others.
Maximum 1 A
1
2
2
1
ZKK
1
2
1
2
2
1
ZKK
1
2
Climate controller
Type 148941
Type 148942
W6
2*
5
W9
2*
W15
5
W8
2*
W10
Note:
Digital input 2 is omitted with types 148943 and
148944.
Instead use Modbus interface with cable type 2**.

Table of Contents

Other manuals for Kampmann Katherm HK

Related product manuals