EasyManua.ls Logo

Kampmann Katherm HK - Page 50

Kampmann Katherm HK
84 pages
Print Icon
To Next Page IconTo Next Page
To Next Page IconTo Next Page
To Previous Page IconTo Previous Page
To Previous Page IconTo Previous Page
Loading...
gr/ye
1
2
4
1
2
5
3
1
2
4
1
2
1
2
1
2
1 2 3 4 5 6 7 8 9 10 11 12 13 14
N N N L H C AI GND AO GND UI GND TU GND
5
1
2
COMNO
Contact
e.g. window
Contact
e.g. heating/cooling
1 2
Room sensor
1
2
1
2
1
2
COMNO
2*
W15
2*
W16
W14
W13
W12
2*2*7
7
2*
W10
W8
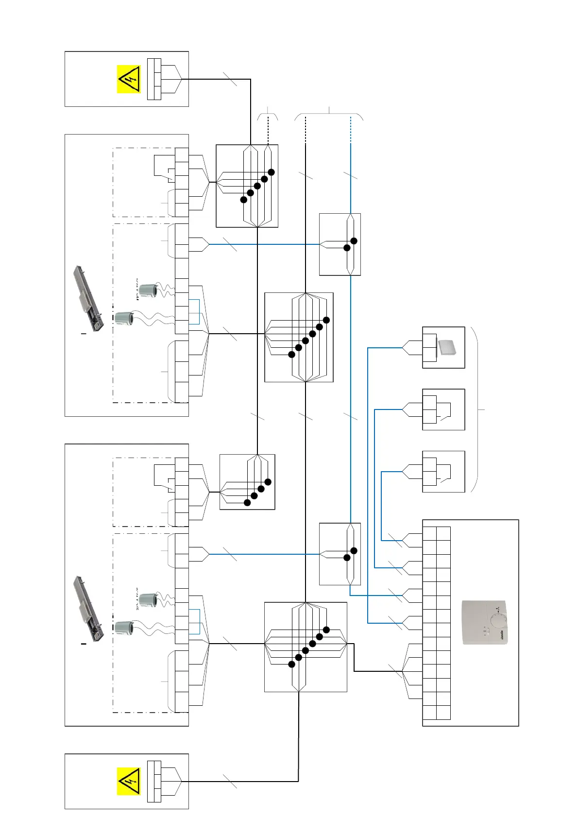
Kat
herm HK , electromechanical 230 V, 2- or 4-pipe valve actuator(s) 230 V AC Open/Closed, optional condensate
pump, with room thermostat type 30155
Jumper
- Options -
For more information, refer to the
instructions for the Climate
Controller
3
gr/ye
1
2
gr/ye
1
2
gr/ye
1
2
3
4
5
3
4
5
1
2
3
4
5
gr/ye
1
2
4
1
2
5
3
Jumper
ZKK
Room thermostat
Type 30155
N PEL
Mains power 230 V AC
1
2
gr/ye
Nominal voltage
230 V / 50 Hz
Fuse by others.
Refer to “Electrical data”
information table.
VK Y GNDL N PE N VH N UB
Fan speed
Mains power 230 V AC
Refer to Electrical data
information table!
NO COML N NC
Condensate alarm
- Optional -
Condensate pump
Mains
power
supply
230 V AC
Katherm HK
230 V electromechanical
(*00)
Unit no. 1
Fan connection
Actuator
Heating/
cooling
Type 146905
-Optional-
Actuator
Cooling
Type 146905
VK Y GNDL N PE N VH N UB
Fan speed
Mains power 230 V AC
Refer to Electrical data
information table!
NO COML N NC
Condensate alarm
- Optional -
Condensate pump
Mains
power
supply
230 V AC
Katherm HK
230 V electromechanical
(*00)
Unit no. 2
Fan connection
Actuator
Heating/
cooling
Type 146905
-Optional-
Actuator
Cooling
Type 146905
N PEL
Mains power 230 V AC
1
2
gr/ye
Nominal voltage
230 V / 50 Hz
Fuse by others.
Maximum 1 A
1
2
2
1
ZKK
1
2
gr/ye
1
2
1
2
gr/ye
1
2
ZKK
3
4
1
2
3
4
3
4
3
4
1
2
1
2
ZKK
3
4
3
4
3
4
1
2
1
2
2
1
ZKK
1
2
gr/ye
1
2
gr/ye
1
2
gr/ye
1
2
3
4
3
4
3
4
ZKK
55
5
7
2*
W11
W9
5
W7
W2
7
W3
2*
W4
6
W5
2*
W1
3
W6
3
To further units
(Max. number see
Information)
Evaluation
by others

Table of Contents

Other manuals for Kampmann Katherm HK

Related product manuals