EasyManua.ls Logo

Karel MS48 - Maintenance

Karel MS48
70 pages
Print Icon
To Next Page IconTo Next Page
To Next Page IconTo Next Page
To Previous Page IconTo Previous Page
To Previous Page IconTo Previous Page
Loading...
Karel MS48 Installation & Maintenance Guide
Edition 3.2
65
C
ABLING
:
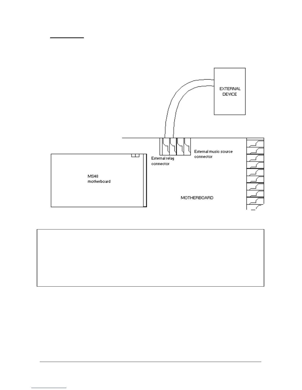
The connection to the external relay should be made through the 2-pin relay
connector at down right corner of the MB48 motherboard. The following figure
illustrates the connection of the relay to an external device.
Figure B-34
WARNING
When the mains power goes off and on, if no battery backup is available for the
system, the external relay may be activated for a very short while which may cause
an undesired activation of the device that is connected to the relay.
This may be especially important for the security of the building if a door opener is
connected to the relay. Therefore during the installation please make sure that no
undesired operations occur.

Table of Contents

Other manuals for Karel MS48

Related product manuals