EasyManua.ls Logo

Kelley HK - Page 18

Kelley HK
64 pages
Print Icon
To Next Page IconTo Next Page
To Next Page IconTo Next Page
To Previous Page IconTo Previous Page
To Previous Page IconTo Previous Page
Loading...
©2009 4Front Engineered Solutions, Inc.
18 6004754F — HK and HK-S Hydraulic Dock Leveler, 3 Button — SafeTFrame
January 2009
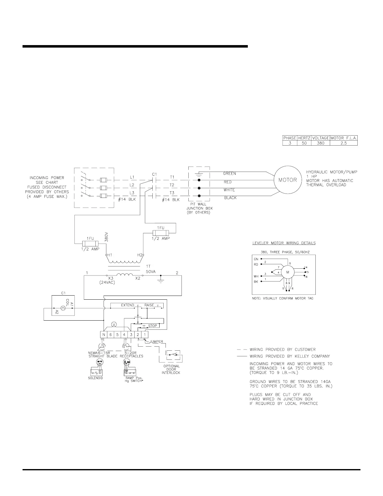
WIRING DIAGRAMS — STANDARD, continued
380V, 3PH, 50 Hz

Related product manuals