EasyManua.ls Logo

Kelley HK - Page 47

Kelley HK
64 pages
Print Icon
To Next Page IconTo Next Page
To Next Page IconTo Next Page
To Previous Page IconTo Previous Page
To Previous Page IconTo Previous Page
Loading...
©2009 4Front Engineered Solutions, Inc.
January 2009 6004754F — HK and HK-S Hydraulic Dock Leveler, 3 Button — SafeTFrame
47
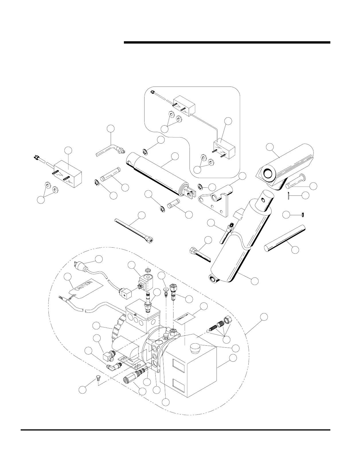
PARTS LIST
, continued
HYDRAULIC COMPONENTS AND RETURN TO DOCK LEVEL SWITCH
1
4
7
5
6
8
9
10
3
12
13
16
14
15
11
19
17
29
26
18
27
30
22
24
23
31
35
31
34
32
2
21
31
21
31
28
33
25
20
34
20
34
(Optional with
ARTD option only)
Fig. 53

Related product manuals