EasyManua.ls Logo

KitchenAid KICU508SBL - WIRING DIAGRAMS; 30 COOKTOP

KitchenAid KICU508SBL
40 pages
Print Icon
To Next Page IconTo Next Page
To Next Page IconTo Next Page
To Previous Page IconTo Previous Page
To Previous Page IconTo Previous Page
Loading...
7-1
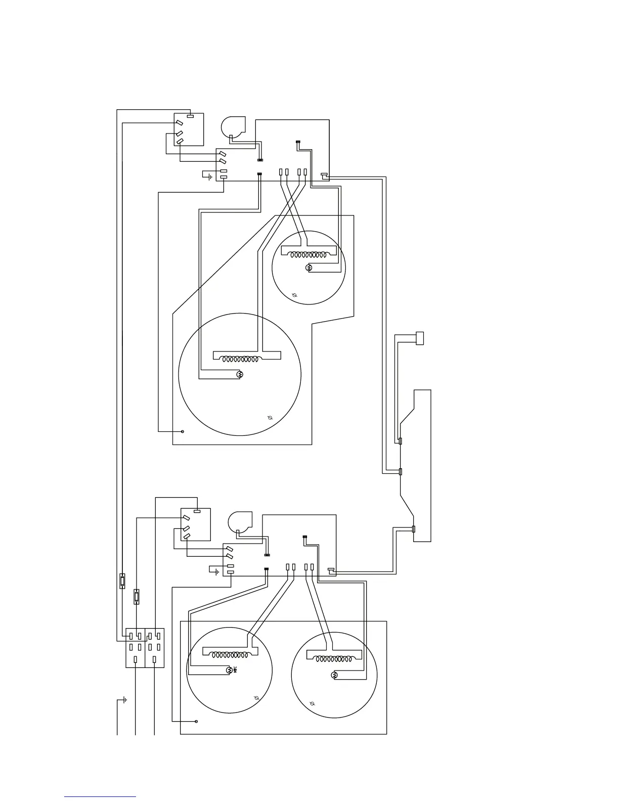
WIRING DIAGRAMS
30˝ COOKTOP
TCB - Touch Control Board
LEB - Left Elect
ronic Board
REB - Right Electronic Board
L
AP - Left Aluminum Plate
RAP - Right Aluminum Plate
SEB - Supressor Elect
ronic Board
TB - Terminal Block
IF - Internal F
rame
R.R. INDUCTOR
2400 W
FAN R
NTC
L.R. INDUCTOR
1800 W
L.F. INDUCTOR
1800 W
NTC
NTC
BLACK
BLA
CK
BLACK
BLA
CK
BLA
CK
BLA
CK
BLA
CK
BLA
CK
SAT
4 WIRES
RED, GREY,
YELLOW, BLUE
FAN L
3 WIRES
RED, BLA
CK,
WHITE
3 WIRES
RED, BLA
CK,
WHITE
GREEN
GREEN
GREEN
GREEN
BLA
CK
RED
GND
L2
L1
RED
RED
BLA
CK
BLACK
FST2
FST2
TCB
FST3
FST3
FST5
FST5
FST1
CNX2
CNX2
CNX3
FU1
FU2
4 WIRES
RED, GREY,
YELLOW, BLUE
2 WIRES
YELLO
W, BLUE
X4.1
X1.1
NTC
R.F. INDUCTOR
1400 W
BLACK
LEB
GREEN
FST1
CNX3
CNX1
CNX1
RED
CNX4
CNX4
CNT1
CNT1
CNT5
CNT5
CNT3
CNT3
CNT4
CNT4
REB
RAP
L
AP
TB
L1
X5.1
BLACK/BROWN
BLACK/BROWN
BROWN/BLACK
B
ROWN/BLACK
BLACK
BLA
CK
BLA
CK
L2
SEB1
FST2FST1
FST3
FST4
FST4
FST3FST2
FST1
SEB2
RED
BLA
CK
BLACK
RED

Related product manuals