EasyManua.ls Logo

Klarstein AMAZONIA 8 - Chargement des Paniers (en 60436)

Klarstein AMAZONIA 8
Print Icon
To Next Page IconTo Next Page
To Next Page IconTo Next Page
To Previous Page IconTo Previous Page
To Previous Page IconTo Previous Page
Loading...
124
FR
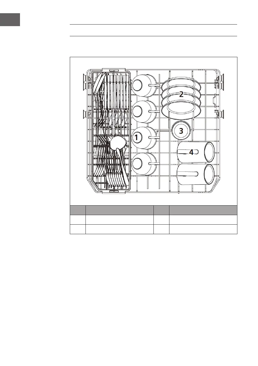
CHARGEMENT DES PANIERS (EN 60436)
Panier à vaisselle supérieur
Description Description
1 Tasses 3 Verres
2 Sous-tasses 4 Mugs

Table of Contents

Related product manuals