EasyManua.ls Logo

Klarstein AMAZONIA 8 - LOADING THE BASKETS; Upper Crockery Basket

Klarstein AMAZONIA 8
Print Icon
To Next Page IconTo Next Page
To Next Page IconTo Next Page
To Previous Page IconTo Previous Page
To Previous Page IconTo Previous Page
Loading...
56
EN
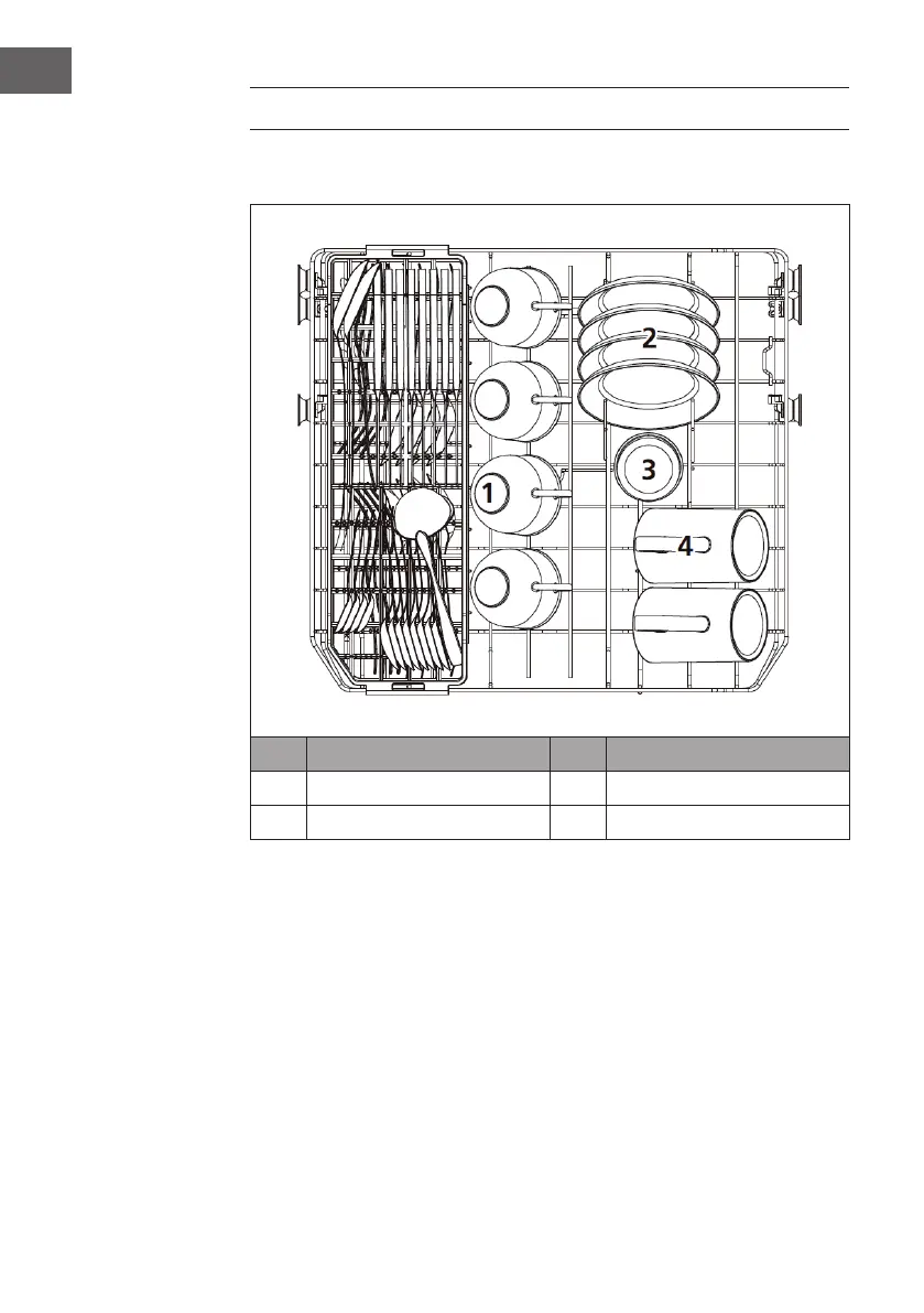
LOADING THE BASKETS (EN 60436)
Upper crockery basket
No. Description No. Description
1 Cups 3 Glasses
2 Saucers 4 Mugs

Table of Contents

Related product manuals