EasyManua.ls Logo

Klarstein AMAZONIA 8 - Carga de Los Cestos (en 60436)

Klarstein AMAZONIA 8
Print Icon
To Next Page IconTo Next Page
To Next Page IconTo Next Page
To Previous Page IconTo Previous Page
To Previous Page IconTo Previous Page
Loading...
90
ES
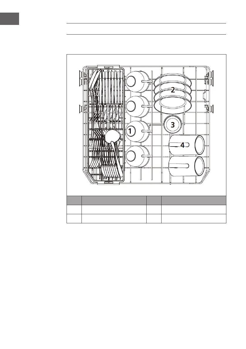
CARGA DE LOS CESTOS (EN 60436)
Cesto superior para la vajilla
Núm. Denominación Núm. Denominación
1 Tazas 3 Vasos
2 Platillos 4 Tazas

Table of Contents

Related product manuals