EasyManua.ls Logo

Klarstein AMAZONIA 8 - Laden Van de Mandjes (en 60436)

Klarstein AMAZONIA 8
Print Icon
To Next Page IconTo Next Page
To Next Page IconTo Next Page
To Previous Page IconTo Previous Page
To Previous Page IconTo Previous Page
Loading...
192
NL
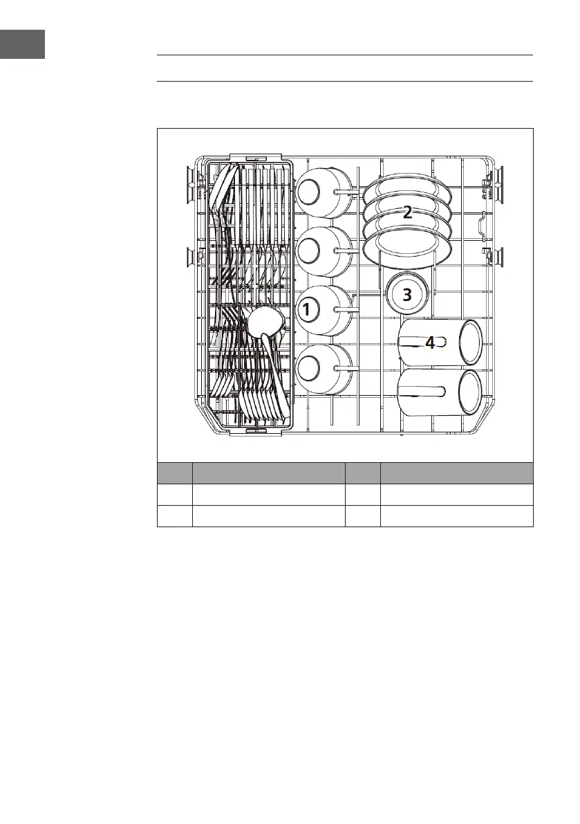
LADEN VAN DE MANDJES (EN 60436)
Bovenste mand voor serviesgoed
Nr. Betekenis Nr. Betekenis
1 Kopjes 3 Glazen
2 Schoteltjes 4 Bekers

Table of Contents

Related product manuals