EasyManua.ls Logo

Klarstein AMAZONIA 8 - Beladung der Körbe (en 60436)

Klarstein AMAZONIA 8
Print Icon
To Next Page IconTo Next Page
To Next Page IconTo Next Page
To Previous Page IconTo Previous Page
To Previous Page IconTo Previous Page
Loading...
20
DE
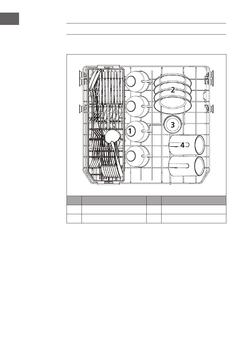
BELADUNG DER KÖRBE (EN 60436)
Oberer Geschirrkorb
Nr. Bezeichnung Nr. Bezeichnung
1 Tassen 3 Gläser
2 Untertassen 4 Becher

Table of Contents

Related product manuals