EasyManua.ls Logo

Klarstein AMAZONIA 8 - Caricare I Cestelli (en 60436)

Klarstein AMAZONIA 8
Print Icon
To Next Page IconTo Next Page
To Next Page IconTo Next Page
To Previous Page IconTo Previous Page
To Previous Page IconTo Previous Page
Loading...
158
IT
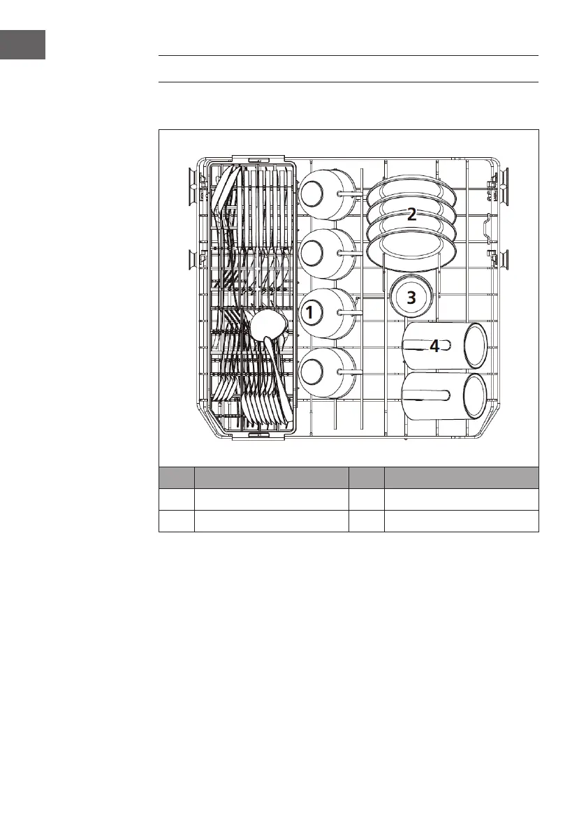
CARICARE I CESTELLI (EN 60436)
Cestello superiore
Descrizione Descrizione
1 Tazze 3 Bicchieri
2 Piattini 4 Bicchieri di plastica

Table of Contents

Related product manuals