EasyManua.ls Logo

KMC Controls 68 Series - Page 30

Default Icon
80 pages
To Next Page IconTo Next Page
To Next Page IconTo Next Page
To Previous Page IconTo Previous Page
To Previous Page IconTo Previous Page
Loading...
28
19 38
158 1/2
67 7/16
107 7/8
293 3/8
38 38
104 104
104
45
86 3/4
123 3/4
36 1/4
77 3/4
145 1/2
316 7/8
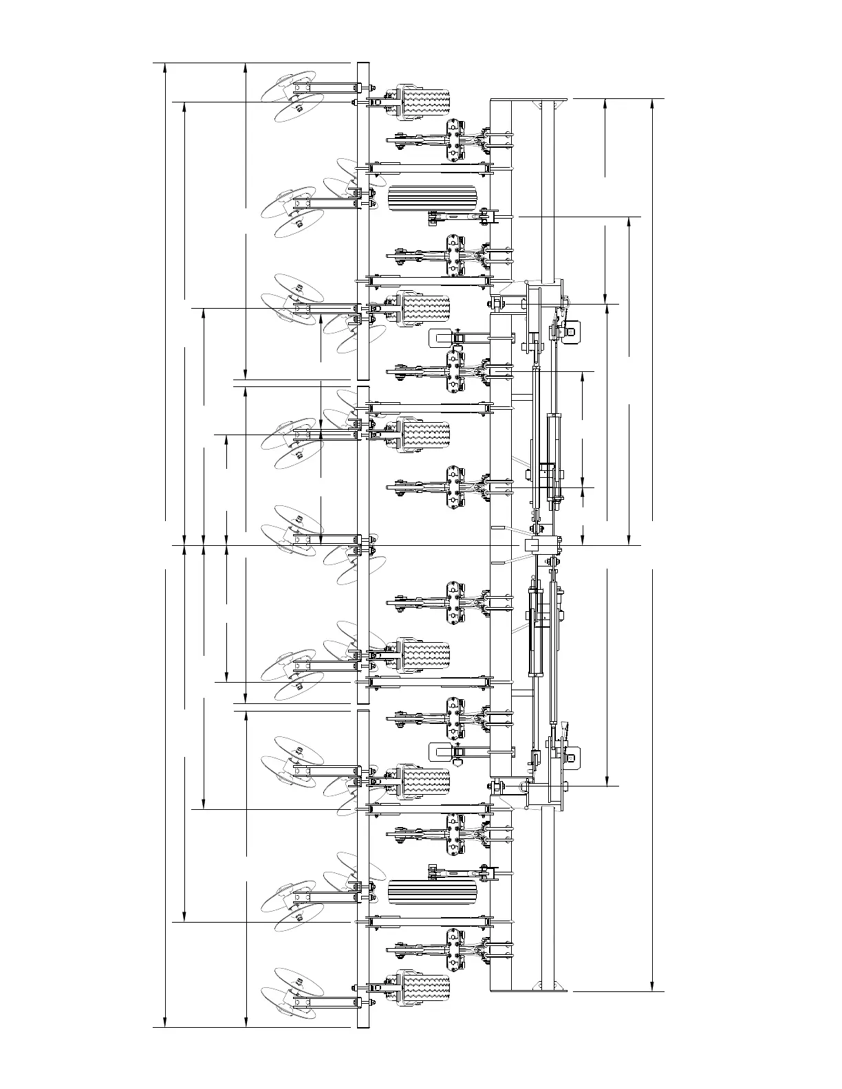
8-ROW 38” STACK-FOLD RIPPER BEDDERS
(
68-08-38-R)
(Shown with Reset-on-the-Go Shanks)

Table of Contents

Related product manuals