EasyManua.ls Logo

KOBE CH2230SQ - Circuit Diagram

KOBE CH2230SQ
96 pages
Print Icon
To Next Page IconTo Next Page
To Next Page IconTo Next Page
To Previous Page IconTo Previous Page
To Previous Page IconTo Previous Page
Loading...
26
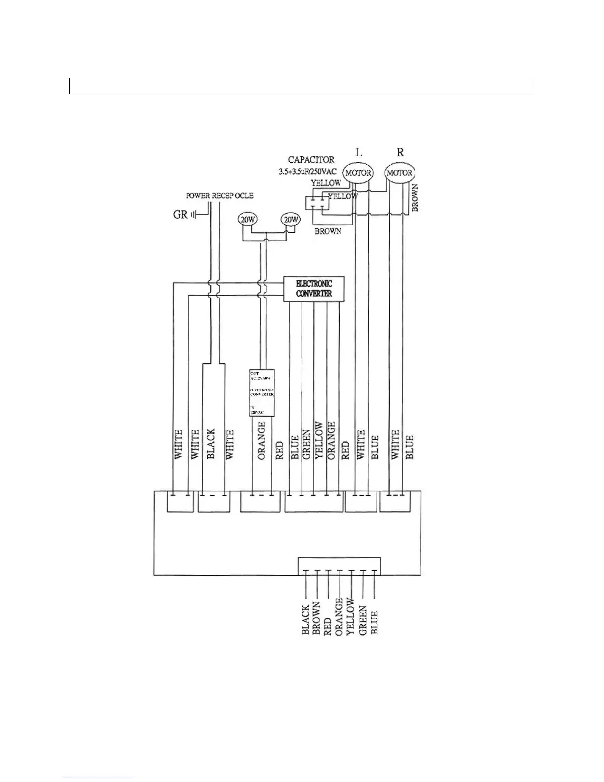
CIRCUIT DIAGRAM
MODEL NO.: CH2230SQ
CH2236SQ

Related product manuals