EasyManua.ls Logo

Kohler KDW 702

Kohler KDW 702
188 pages
To Next Page IconTo Next Page
To Next Page IconTo Next Page
To Previous Page IconTo Previous Page
To Previous Page IconTo Previous Page
Loading...
148
11
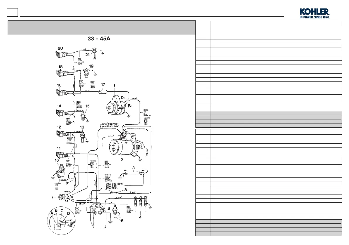
CIRCUITS - CIRCUITI - CIRCUITS - ANLAGEN - INSTALACIONES - CIRCUITOS
UM KDW 502_702_1003_1404_ cod. ED0053031090 - 4° ed_rev. 03
1) Electrical system - Circuito elettrico - Circuit electrique
Elektrische anlage - Circuito electrico - Circuito eléctrico
1
2
3
4
5
6
7
8 - 9
10
11
12
13
14
15
16
17
18
19
20
21
A
B
C
D
Descrizione
Alternatore
Motorino di avviamento
Batteria
Candelette di preriscaldamento
Sensore temperatura liquido di ra󰀨reddamento
Centralina preriscaldamento candelette
Interruttore avviamento
Fusibili
Dispositivo elettrostop o pompa alimentazione elettrica
Spia candelette
Spia temperatura liquido di ra󰀨reddamento
Termostato spia liquido di ra󰀨reddamento
Spia pressione olio motore
Pressostato olio
Spia di carica batteria
Diodo
Spia intasamento ltro aria
Indicatore di intasamento
Spia livello combustibile
Indicatore livello combustibile
Parcheggio
Riposo
Marcia
Avviamento
Ref.
1
2
3
4
5
6
7
8 - 9
10
11
12
13
14
15
16
17
18
19
20
21
A
B
C
D
Description
Alternateur
Démarreur
Batterie
Bougies de préchau󰀨age
Capteur température liquide de refroidissement
Boîte de préchau󰀨age bougies
Bouton de démarrage
Fusibles
Dispositif stop électrique ou pompe d’alimentation électrique
Voyant bougies
Voyant température du liquide de refroidissement
Thermostat voyant liquide de refroidissement
Voyant pression de l’huile moteur
Pressostat huile
Régulateur de tension
Diode
Témoin encrassement ltre a air
Indicateur d’encrassement
Voyant niveau du combustible
Indicateur niveau du combustible
Parking
Arrét
Marche
Démarrage
Ref.

Table of Contents

Other manuals for Kohler KDW 702

Related product manuals